Качественные детали и логистика
Оригинальные и аналоговые запчасти с доставкой по России, Казахстану и Беларуси
©2022 PartSell ООО "Система" ИНН 2463123282 ОГРН 1212400004838
Центральный офис: г. Красноярск, Академика Киренского, д.87, пом.4
Телефон: 8 (800) 777-65-74 Email: zakaz@partsell.ru
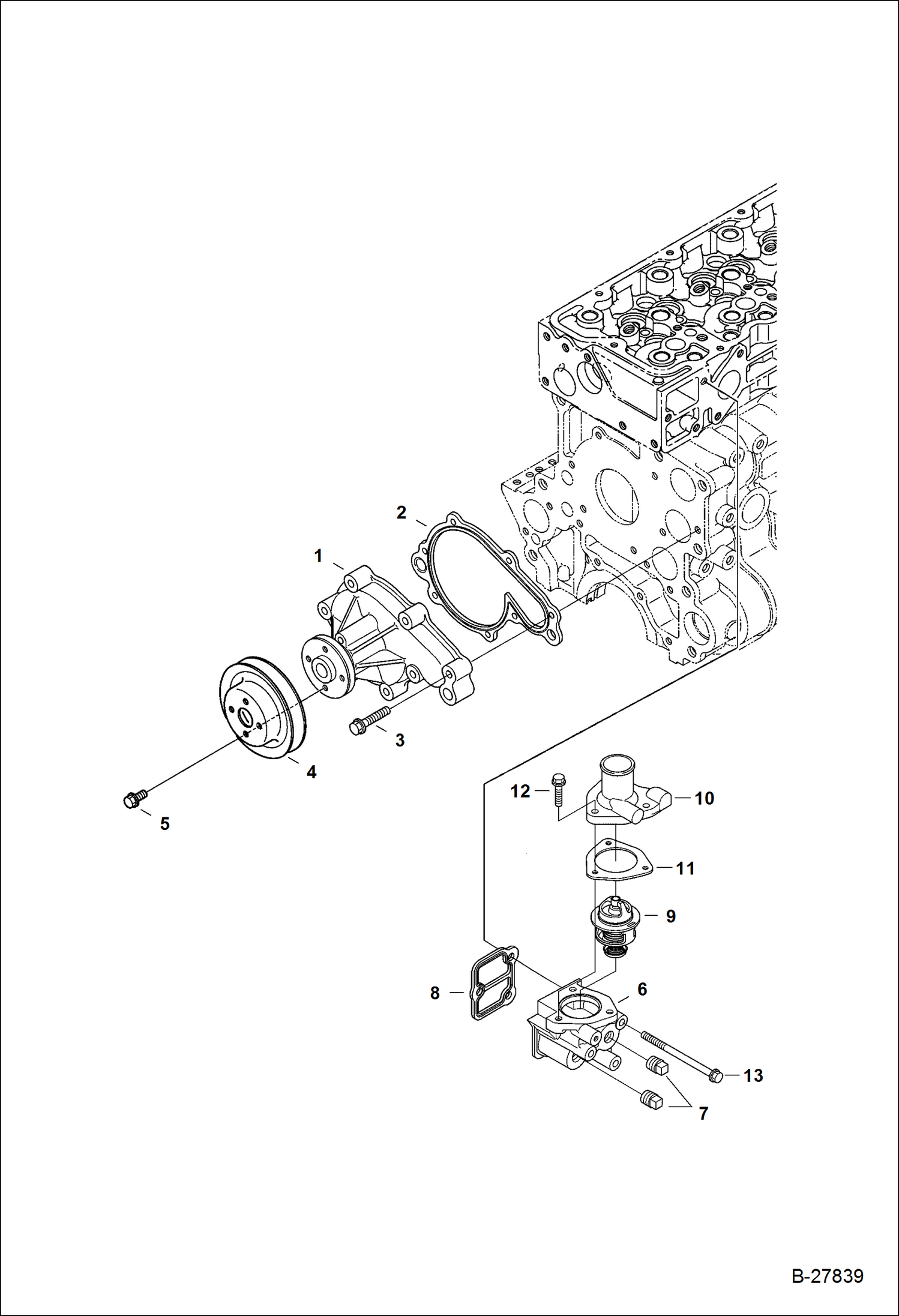
WATER PUMP & THERMOSTAT
№
Артикул
Название
Примечание
Количество
1
7008449
PUMP, WATER
2
7008451
GASKET, PUMP WATER
3
6689192
BOLT, FLANGE
4
7008541
PULLEY, FAN
5
6680803
BOLT
6
7008539
FLANGE, WATER W/Ref. 7
7
6684857
PLUG
8
7008448
GASKET, FLANGE WATER
9
6680850
THERMOSTAT
10
7008450
COVER, THERMOSTAT
11
7020988
GASKET thermostat cover - Was 6680844 - A
12
6680755
13
7008382
Выбрано товаров: 0