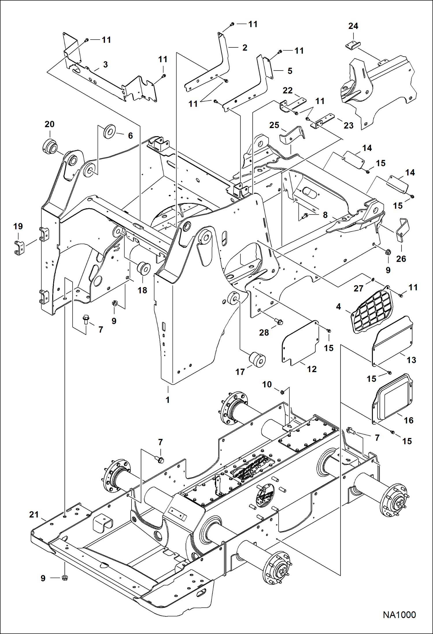
Запчасти Bobcat S-Series MAIN FRAME MAIN FRAME

Схема запчастей Bobcat S-Series - MAIN FRAME MAIN FRAME
FIT
1:1
100%

Артикул

Название

Примечание

Количество

1

MAIN FRAME NLA - Order 7190082 - Was 7133450 - B

1

7190082

MAIN FRAME

1

7211866

MAIN FRAME

1

7182865

MAIN FRAME

2

7147354

PANEL See Illustration COOLING SYSTEM/ NA1260

3

7151540

PANEL, CROSSMEMBER

4

7174997

LOUVER, RH

4

7174998

LOUVER, LH

5

7161793

PANEL See Illustration COOLING SYSTEM/ NA1260

6

7134831

BUSHING, WELD-ON inside upright

7

31C1228

BOLT

8

31C820

BOLT

9

53D12

NUT

10

83D8

NUT 5

11

84G3712

BOLT 5

12

7174054

COVER single speed - Was 7136971 - B

13

7136973

COVER

14

7159532

COVER, ACCESS

15

84G3712

BOLT 5

16

7139459

COVER 2-speed

17

7134832

BUSHING, WELD-ON outside upright

18

6730785

BUSHING inside upright

19

6708987

HINGE, WELD-ON

20

7134830

BUSHING, WELD-ON outside upright

21

CHAINCASE See Illustration DRIVE TRAIN/ NA1008

21

CHAINCASE See Illustration DRIVE TRAIN/ NA6968

22

7202799

BRACKET, SUPPORT LH

23

7202800

BRACKET, SUPPORT RH

24

BRACKET, WELD-ON NLA - LH - Order Ref. 22

24

BRACKET, WELD-ON NLA - RH - Order Ref. 23

25

7155693

GUIDE LH - weld-on

26

7155692

GUIDE RH - weld-on

27

6674264

RETAINER NUT

28

31C1228

BOLT

28

31C1236

BOLT

Выбрано товаров: 35