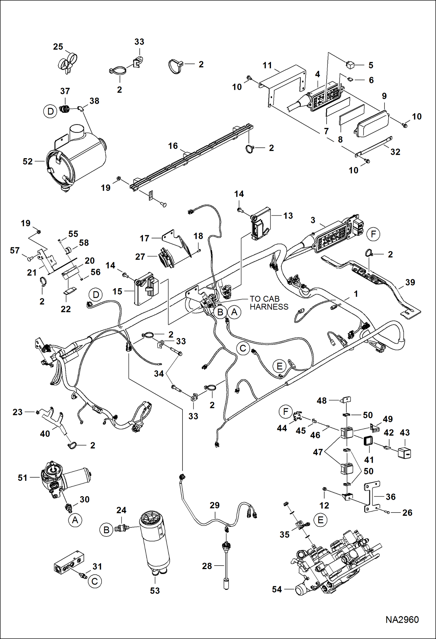
Запчасти Bobcat S-Series ENGINE ELECTRICAL CIRCUITRY (Frame Harness & Filter Sensors) (S/N A3NT12370 - , A3NU11112 - ) ELECTRICAL SYSTEM

Схема запчастей Bobcat S-Series - ENGINE ELECTRICAL CIRCUITRY (Frame Harness & Filter Sensors) (S/N A3NT12370 - , A3NU11112 - ) ELECTRICAL SYSTEM
FIT
1:1
100%

Артикул

Название

Примечание

Количество

1

7199263

HARNESS, MFR See Illustration ENGINE ELECTRICAL CIRCUITRY/ NA2163 - manual controls

1

7199264

HARNESS, MFR See Illustration ENGINE ELECTRICAL CIRCUITRY/ NA2163 - AHC, ACS & SJC

2

6624289

STRAP, TIE

3

7155390

HOUSING, FUSE RELAY

4

6673200

FUSE BLOCK

5

6679820

RELAY

6

6663289

FUSE, 5A

6

6654806

FUSE, 15A

6

6707621

FUSE, 15A MINI 5

6

6625575

FUSE, 20A

6

6702444

FUSE 25A 5

6

6707623

FUSE, 25A MINI 5

6

6718034

FUSE, 30A

7

7167945

DECAL, FUSE RELAY

8

6731275

INSULATION

9

6716621

COVER Was 7176546 - A

10

84G3712

BOLT 5

11

7196673

BRACKET

12

51DM8

NUT

13

6693353

CONTROLLER, GATEWAY Bobcat

14

7168429

BOLT, CONTROLLER flanged head - M10 x 25 mm

15

6691288

CONTROLLER, AUX CONTROL

16

7164175

BRACKET, SHORT SKI

17

7166489

BRACKET, CAB

18

6688980

BOLT connector

19

97D6

NUT 10

20

6675154

HOLDER high amp fuse

21

7177235

BRACKET, HARNESS mega fuse - Was 7159879 - A

22

6675155

FUSE, 100A mega

23

29CM820

SCREW

24

7002980

SWITCH, PRESSURE

25

6678668

STRAP, DUAL TIE

26

45G1212

BOLT

27

CONNECTOR See Illustration CONNECTOR HARNESS ASSEMBLY/ PE3684

28

7179839

SENSOR FUEL W/gasket - Was 6680438 - A

28

6717579

GASKET

29

7149219

HARNESS, FUEL std cab

29

7184255

HARNESS, FUEL dlx cab - Was 7175293 - B,D

30

6674316

SWITCH, PRESS OIL HYD 3-pin molded connector

31

6727869

SENDER,HYD TEMP

31

79K6

O RING 10

32

7168173

BRACKET, COVER

33

6679034

MOUNT

34

84G3732

BOLT

35

6675559

COIL

36

7166445

BRACKET, BLOCK DILL

37

6665371

SWITCH

38

7191672

ELBOW Was 24F1 - B

39

BRACKET, FRONT SKI NLA - steel - Order 7171188 bracket - Was 7159886 - A

39

7171188

BRACKET plastic

40

7189581

BRACKET, HARNESS Was 7163597 - A

41

6671528

SEAL green square

42

6707620

FUSE, 10A MINI 5

42

6707621

FUSE, 15A MINI 5

42

6707623

FUSE, 25A MINI 5

42

6674099

BREAKER, 25A

43

6665358

COVER , FUSE

44

6665357

LOCK yellow

45

PIN NLA - female - Order 6668719 pin for 16 guage wire - Order 6668720 pin for 14 guage wire

46

6650107

SEAL

47

6665356

BLOCK fuse - W/Ref. 41

48

6665909

MOUNT

49

6708437

CLIP

50

6665411

WEDGE red

51

MOTOR, HYD COOLING FAN See Illustration COOLING FAN MOTOR/ MS2514

52

FILTER, AIR CLEANER ASSY See Illustration AIR CLEANER/ NA2170

53

FILTER, HYD ASSY See Illustration HYDROSTATIC CIRCUITRY/ NA1224

53

FILTER, HYD ASSY See Illustration HYDROSTATIC CIRCUITRY/ NA2653

54

VALVE, CONTROL See Illustration HYDRAULIC CONTROL VALVE/ NA1216 - manual controls

54

VALVE, CONTROL See Illustration HYDRAULIC CONTROL VALVE/ NA1217 - ACS, AHC & SJC

55

25G410

CAPSCREW

56

59D4

NUT 5

57

35C612

BOLT

58

30H50

CLIP

Выбрано товаров: 74