Запчасти Bobcat S-Series MAIN FRAME MAIN FRAME

Схема запчастей Bobcat S-Series - MAIN FRAME MAIN FRAME
FIT
1:1
100%

Артикул

Название

Примечание

Количество

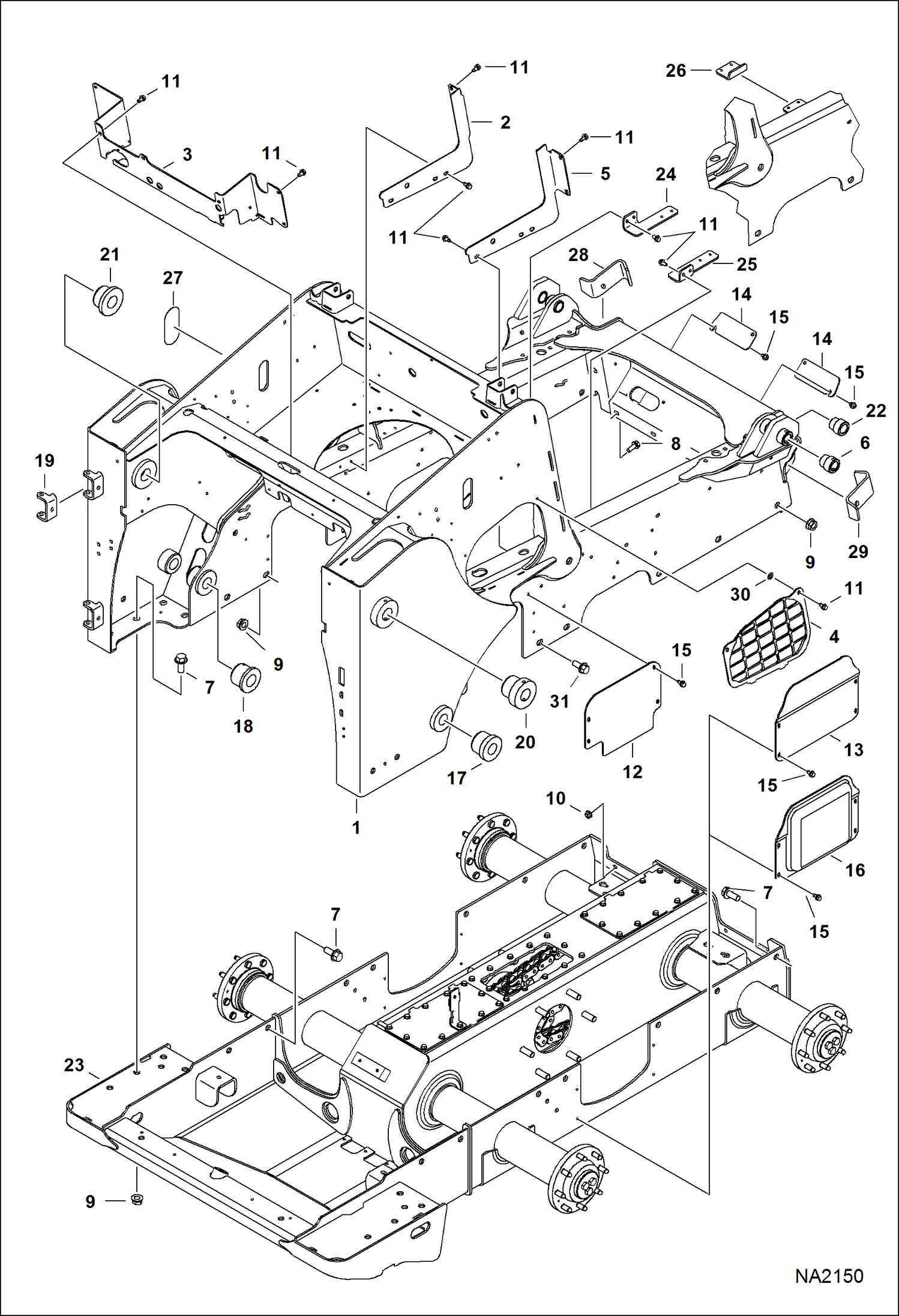
1

7187123

MAIN FRAME

1

7190083

MAIN FRAME

1

7211867

MAIN FRAME

1

7189934

MAIN FRAME

2

7147354

PANEL See Illustration COOLING SYSTEM/ NA1260

3

7151540

PANEL, CROSSMEMBER

4

7174997

LOUVER, RH

4

7174998

LOUVER, LH

5

7161793

PANEL See Illustration COOLING SYSTEM/ NA1260

6

7162141

BUSHING, WELD-ON outside link

7

31C1228

BOLT

8

31C820

BOLT

9

53D12

NUT

10

83D8

NUT 5

11

84G3712

BOLT 5

12

7174054

COVER single speed

13

7136973

COVER

14

7159532

COVER, ACCESS

15

84G3712

BOLT 5

16

7139459

COVER 2 speed

17

7141675

BUSHING, WELD-ON outside upright

18

7141674

BUSHING, WELD-ON inside upright

18

7211897

BUSHING, WELD-ON inside upright

19

6708987

HINGE, WELD-ON

20

7134830

BUSHING, WELD-ON outside upright

21

7134831

BUSHING, WELD-ON inside upright

22

6717278

BUSHING, WELD-ON inside link

23

CHAINCASE See Illustration DRIVE TRAIN/ NA1008

23

CHAINCASE See Illustration DRIVE TRAIN/ NA6968

24

7202799

BRACKET, SUPPORT LH

25

7202800

BRACKET, SUPPORT RH

26

BRACKET, WELD-ON NLA - LH - Order Ref. 24

26

BRACKET, WELD-ON NLA - RH - Order Ref. 25

27

7194975

GAUGE, SIGHT

28

7155693

GUIDE LH - weld-on

29

7155692

GUIDE RH - weld-on

30

6674264

RETAINER NUT

31

31C1228

BOLT

31

31C1236

BOLT

Выбрано товаров: 39