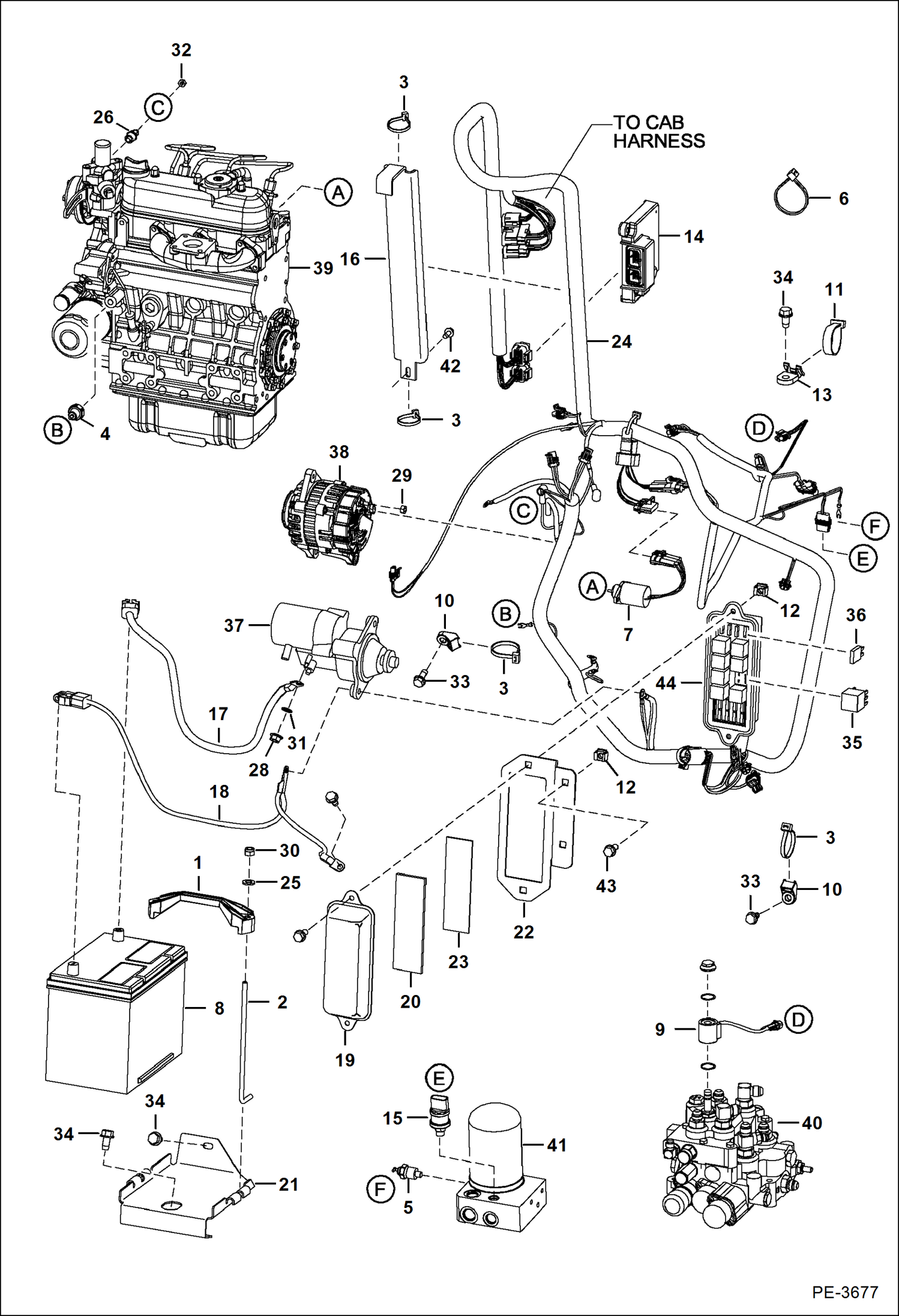
Запчасти Bobcat S-Series ENGINE ELECTRICAL CIRCUITRY ELECTRICAL SYSTEM

Схема запчастей Bobcat S-Series - ENGINE ELECTRICAL CIRCUITRY ELECTRICAL SYSTEM
FIT
1:1
100%

Артикул

Название

Примечание

Количество

1

6569203

CLAMP battery

2

6576280

BOLT bent

3

6624289

STRAP, TIE

4

6631010

SWITCH, PRESS OIL ENG engine oil pressure

5

6632633

SWITCH hyd temp

6

6665527

TIE

7

6670602

SOLENOID, SHUTOFF FUEL fuel shutdown

8

6674687

BATTERY, DRY 600 AMP

9

6675559

COIL W/diode

10

6678667

MOUNT

11

6678669

STRAP

12

6678765

NUT steering lever

13

6679034

MOUNT deluxe

14

7003486

CONTROLLER, GATEWAY Bobcat - Was 6693353 - B

15

6682585

SWITCH hydro charge pressure

16

6707415

BRACKET

17

6714436

CABLE positive

18

6714437

CABLE negative

19

6716621

COVER fusebox

20

6731275

INSULATION fusebox

21

6732224

PAN BATTERY

22

6732917

BRACKET fusebox

23

6698209

DECAL, WARNING fuse/relay

24

7148125

HARNESS, MFR engine

25

25E15

WASHER

26

6658818

SENDER eng temp - threaded connector

26

19F2

BUSHING

27

35C512

BOLT

28

43DM8

NUT

29

1DM6

NUT

30

59D5

NUT 5

31

6E5

WASHER

32

14D10

NUT

33

84G3112

BOLT 5

34

84G3712

BOLT 5

35

6679820

RELAY

36

6654806

FUSE, 15A

36

6654805

FUSE 10A

36

6733838

FUSE 40 amp

36

6702444

FUSE 25A 5

36

6625575

FUSE, 20A

36

6669415

TIMER, SOLENOID

37

STARTER See Illustration STARTER/ D2396

38

ALTERNATOR See Illustration ALTERNATOR/ B20884

39

ENGINE See Illustration ENGINE/ B17086

40

VALVE ASSY See Illustration HYDRAULIC CONTROL VALVE/ PE1654

41

FILTER See Illustration HYDROSTATIC CIRCUITRY/ PE3674 hydraulic

42

26GM8016

SCREW

43

25G510

BOLT

44

6673200

FUSE BLOCK

Выбрано товаров: 50