Запчасти Bobcat S-Series WATER FLANGE & THERMOSTAT POWER UNIT

Схема запчастей Bobcat S-Series - WATER FLANGE & THERMOSTAT POWER UNIT
FIT
1:1
100%

Артикул

Название

Примечание

Количество

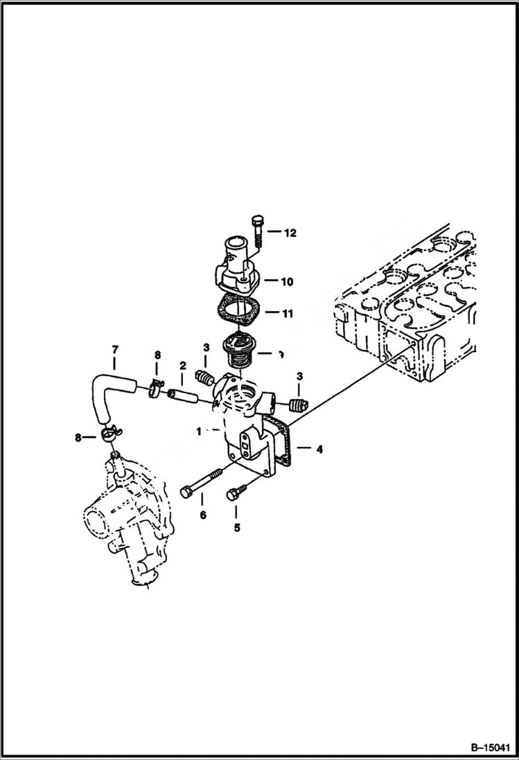
1

6672482

FLANGE W/Ref. 2

2

6670785

PIPE

3

6684857

PLUG

4

6657583

GASKET

5

1CM616

SCREW Was 4CM616 - A

6

6657413

BOLT

7

6657584

PIPE

8

6680580

CLAMP

9

6674172

THERMOSTAT

10

6672479

COVER

11

6684863

GASKET

12

1CM835

BOLT

Выбрано товаров: 12