Качественные детали и логистика
Оригинальные и аналоговые запчасти с доставкой по России, Казахстану и Беларуси
©2022 PartSell ООО "Система" ИНН 2463123282 ОГРН 1212400004838
Центральный офис: г. Красноярск, Академика Киренского, д.87, пом.4
Телефон: 8 (800) 777-65-74 Email: zakaz@partsell.ru
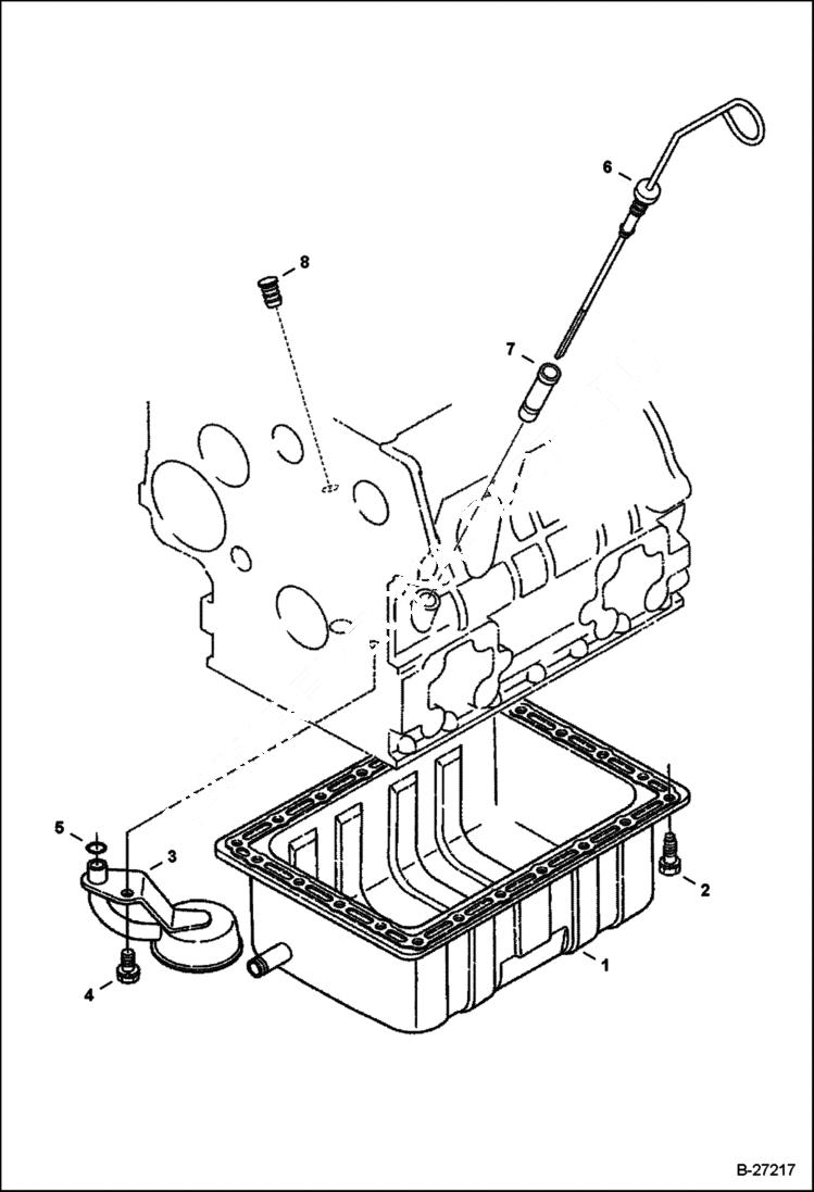
OIL PAN
№
Артикул
Название
Примечание
Количество
1
6687902
2
7000302
BOLT
3
6698636
SCREEN, OIL ENG Was 6687903 - A
4
6667421
5
6680284
O-RING
6
6687905
DIPSTICK 7.30''(185.4mm) long
7
6687904
GUIDE
8
6969804
PLUG,OIL GAUGE
Выбрано товаров: 0