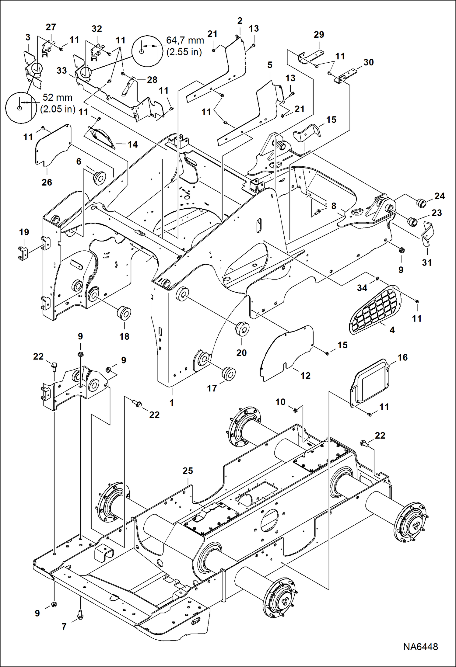
Запчасти Bobcat S-Series MAIN FRAME (S/N ACS711988 & Above, ACSL11594 & Above) MAIN FRAME

Схема запчастей Bobcat S-Series - MAIN FRAME (S/N ACS711988 & Above, ACSL11594 & Above) MAIN FRAME
FIT
1:1
100%

Артикул

Название

Примечание

Количество

1

7193399

MAIN FRAME

2

7145821

DUCT, AIR

3

CROSSMEMBER NLA - Use W/Ref. 27 - See dimension on illustration - Order Ref. 32 & 33 - Was 7209535 - A

4

7146169

SCREEN, OUTER

5

7145626

DUCT, AIR

6

7145873

BUSHING, WELD-ON inside upright weld-on

7

31C1228

BOLT

8

31C820

BOLT

9

53D12

NUT

10

83D8

NUT 5

11

84G3712

BOLT 5

12

7178452

COVER pump

13

35C620

BOLT 5

14

7215602

COVER, FILTER PARTICULATE

15

7197247

GUIDE LH - weld-on

16

7139459

COVER

17

7161112

BUSHING, WELD-ON outside upright

18

7145875

BUSHING, WELD-ON inside upright

19

6708987

HINGE, WELD-ON

20

7145872

BUSHING, WELD-ON outside upright

21

89D6

NUT

22

31C1232

SCREW

23

7160314

BUSHING, WELD-ON

24

7160315

BUSHING, WELD-ON

25

CHAINCASE

26

7174054

COVER

27

GUIDE, HOSE NLA - Use W/Ref. 3 - See dimension on illustration - Order Ref. 32 & 33 - Was 7200553 - A

28

7210851

BRACKET

29

7202799

BRACKET, SUPPORT LH

30

7202800

BRACKET, SUPPORT RH

31

7197247

GUIDE RH - weld-on

32

7218782

GUIDE, HOSE Use W/Ref. 33 - See dimension on illustration

33

7218781

CROSSMEMBER Use W/Ref. 32 - See dimension on illustration

34

6674264

RETAINER NUT

Выбрано товаров: 34