Запчасти Bobcat T-Series FUEL AND INJECTION PUMP POWER UNIT

Схема запчастей Bobcat T-Series - FUEL AND INJECTION PUMP POWER UNIT
FIT
1:1
100%

Артикул

Название

Примечание

Количество

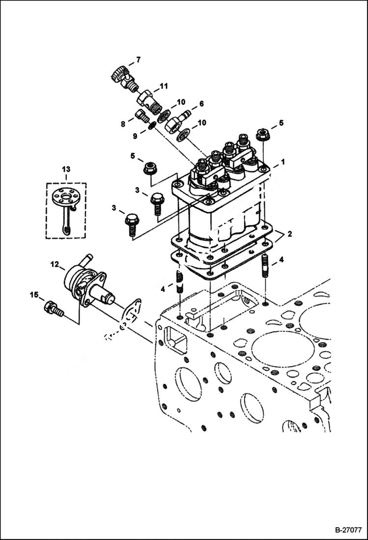
1

7021764

PUMP, FUEL INJ assy - Was 6698118 - A

2

6698119

SHIM 0,175 mm - injection pump

2

3974626

SHIM 0,20 mm - injection pump

2

6682515

SHIM 0,25 mm - injection pump

2

6655210

SHIM 0,30 mm - injection pump

2

6684829

SHIM 0,35 mm - injection pump

3

6680801

BOLT

4

6652670

STUD

5

6969819

NUT, FLANGE

6

6513707

JOINT eye

7

6598102

VALVE jet start

8

6599084

SCREW bleed

9

6685471

GASKET

10

6698120

GASKET Use W/Ref. 11 eye bolt 6685473 - Was 3974403 - A

11

6685473

BOLT, EYE 12MM Use W/Ref. 10 gasket 6698120

12

6655216

FUEL PUMP W/Ref. 13

13

6667458

DIAPHRAGM replacement

14

6686037

GASKET fuel pump

15

1CM616

SCREW Was 4CM616 - A

Выбрано товаров: 19