Качественные детали и логистика
Оригинальные и аналоговые запчасти с доставкой по России, Казахстану и Беларуси
©2022 PartSell ООО "Система" ИНН 2463123282 ОГРН 1212400004838
Центральный офис: г. Красноярск, Академика Киренского, д.87, пом.4
Телефон: 8 (800) 777-65-74 Email: zakaz@partsell.ru
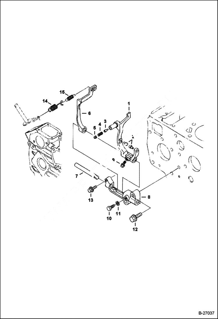
GOVERNOR
№
Артикул
Название
Примечание
Количество
1
6698426
LEVER, FORK W/Ref. 2-11
2
PIN NSS - Order Ref. 1
3
4
SPRING NSS - Order Ref. 1
5
SCREW, SET NSS - Order Ref. 1
6
6684832
LEVER fork
7
6684833
SHAFT fork lever
8
6653916
HOLDER fork lever
9
6680830
BOLT
10
3974662
11
6667419
WASHER spring
12
6680706
13
6685464
14
6689599
SPRING governor
15
6685514
Выбрано товаров: 0