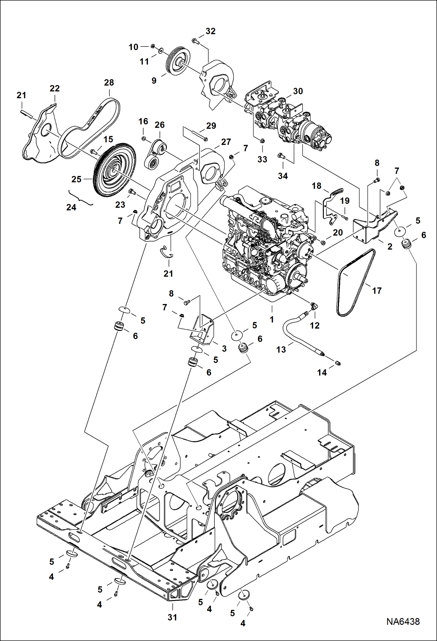
Запчасти Bobcat T-Series ENGINE & ATTACHING PARTS (Belt Drive System & Engine Mounts) (Manual Controls) POWER UNIT

Схема запчастей Bobcat T-Series - ENGINE & ATTACHING PARTS (Belt Drive System & Engine Mounts) (Manual Controls) POWER UNIT
FIT
1:1
100%

Артикул

Название

Примечание

Количество

1

7163022

ENG, V2403MDI EPA IT4 / EU STG IIIB W/Ref. 15

2

7195046

MOUNT, ENGINE Was 7163326 - A

3

7158596

ENGINE MOUNT W/A

4

29CM1070

BOLT

5

7110825

SHIELD ENG MOUNT

6

6688383

DAMPER VIBRATION

7

51DM10

NUT

8

6719827

BOLT

9

7160537

PUMP PULLEY MACH

10

5CM825

BOLT

11

619021

WASHER, 5

12

7164510

FITTING HYD

13

7163085

HOSE ASSEMBLY

14

36K6

CAP

15

6598275

BOLT

16

51DM10

NUT

17

7190530

BELT, ALTERNATOR Was 7165426 - A

18

7183210

MOUNT, ALTERNATOR Was 6730867 - A

19

1CM880

BOLT

20

6817566

BUSHING

21

6703022

CLIP

22

7163331

SHIELD DRIVE

23

6733378

SCREW

24

7160532

FLYWHEEL ASSY W/Ref. 25

25

6510470

RING GEAR

26

6689611

IDLER MICRO-V

27

7155886

BELLHOUSE MOUNT

28

7162826

BELT MICROV T100 MAN

29

29CM1080

SCREW

30

7001032

PUMP HYDRST See Illustration HYDROSTATIC PUMP / GEAR PUMP/ EM8105

31

7111343

TRANSMISSION W/A See Illustration MAIN FRAME/ EM7430

32

59CM1040

SCREW HX FLNG W/T8.8

33

43DM10

NUT

34

1CM1025

BOLT

Выбрано товаров: 34