Качественные детали и логистика
Оригинальные и аналоговые запчасти с доставкой по России, Казахстану и Беларуси
©2022 PartSell ООО "Система" ИНН 2463123282 ОГРН 1212400004838
Центральный офис: г. Красноярск, Академика Киренского, д.87, пом.4
Телефон: 8 (800) 777-65-74 Email: zakaz@partsell.ru
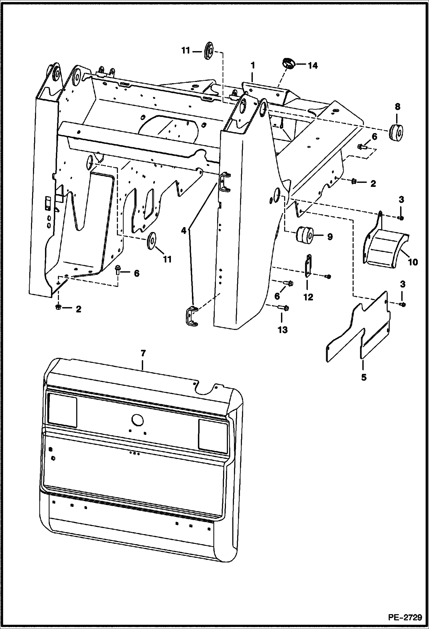
MAIN FRAME
№
Артикул
Название
Примечание
Количество
1
7108034
2
83D8
NUT 5
3
84G3712
BOLT 5
4
6708987
HINGE, WELD-ON
5
7100914
COVER RH
7101063
COVER LH
6
31C820
BOLT
7
6729991
REAR DOOR See Illustration REAR DOOR/ PE2252
8
6731578
BUSHING, WELD-ON
9
6737272
10
7110150
SHIELD, W/A RH A stamp
7151952
SHIELD, W/A LH A stamp
11
6702583
12
7115843
COVER
13
31C836
14
6718796
PLUG Bobcat head
Выбрано товаров: 0