Запчасти Bobcat T-Series PANELS MAIN FRAME

Схема запчастей Bobcat T-Series - PANELS MAIN FRAME
FIT
1:1
100%

Артикул

Название

Примечание

Количество

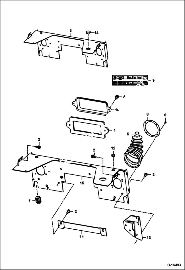
1

6725302

GASKET

2

84G3712

BOLT 5

3

SHIELD NLA - Order Ref. 15 & 6734520 cover - Was 7106687 - A

4

84G3112

BOLT 5

5

6532127

BOOT W/Ref. 8

6

6630207

RIVET 5

7

6577961

GROMMET

8

PLATE NLA - Order Ref. 5

9

6718774

DECAL fuse/relay - 2'' x 7'' (50,8 mm x 177,8 mm)

10

6716621

COVER fuse/relay

10

6736071

KIT extreme applications - W/decal & insulation

10

6718774

DECAL relay/fuse

10

6731275

INSULATION

11

7101189

COVER

12

6657719

PLUG 0.75'' dia hole

12

6648348

PLUG 0.81'' dia hole

13

BRACKET See Illustration HAND CONTROLS/ PE2366 R.H. - Was 6733022 - A

13

BRACKET See Illustration HAND CONTROLS/ PE2366 L.H. - Was 6733024 - A

14

6681469

PLUG 35 mm (1.38'') dia hole - Was 6665697 - A

15

7139183

SHIELD

Выбрано товаров: 20