Запчасти Bobcat T-Series DRIVE TRAIN DRIVE TRAIN

Схема запчастей Bobcat T-Series - DRIVE TRAIN DRIVE TRAIN
FIT
1:1
100%

Артикул

Название

Примечание

Количество

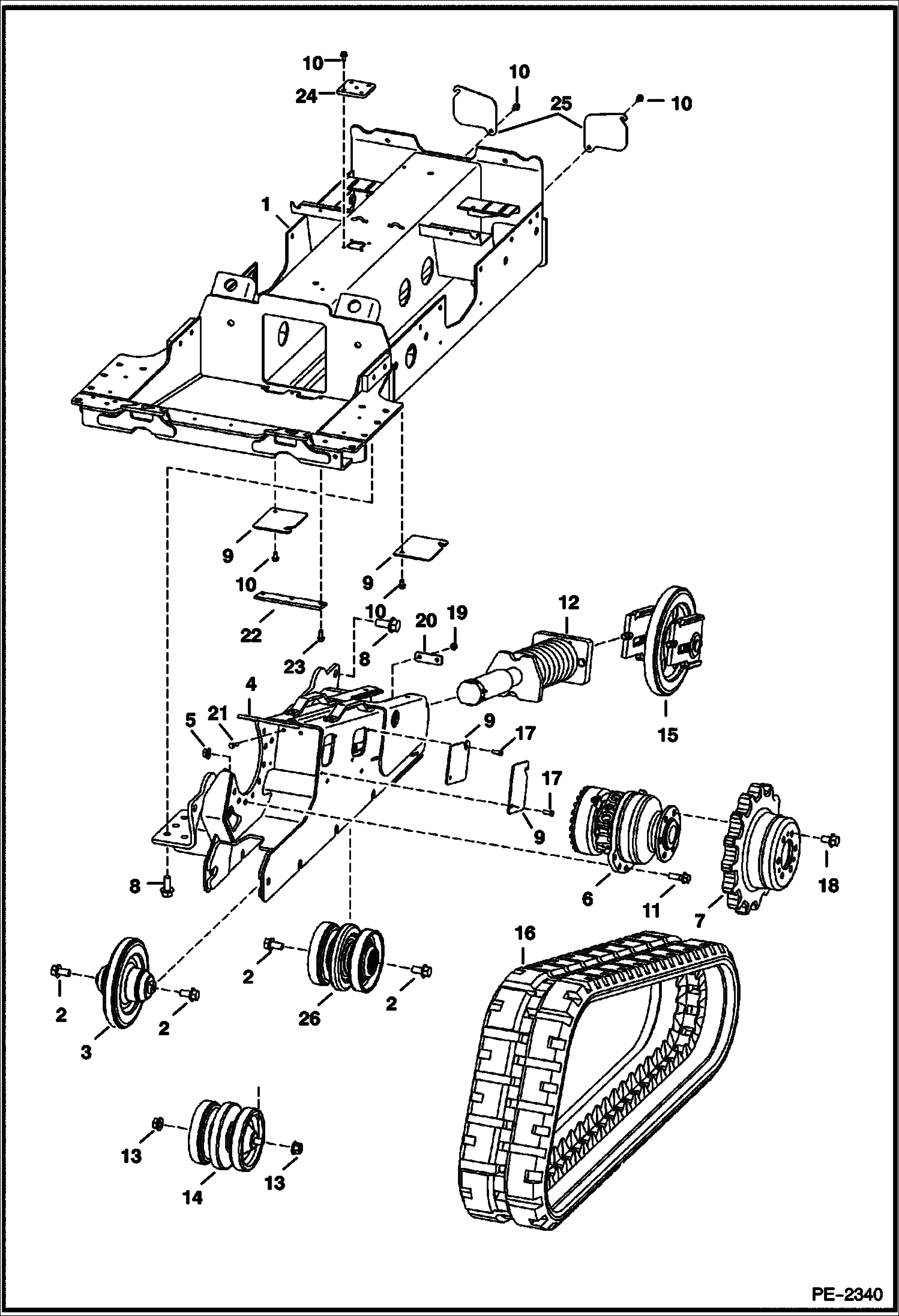
1

DRIVECASE See BTI373 NLA - Was 6734701 - A

2

31C1224

BOLT

2

31C1224

BOLT Use W/Ref. 3 & 26 - services 31C1228 in this application

3

IDLER, REAR 2 See Illustration REAR IDLER/ PE2555 - NLA - W/threaded holes - 1.38'' (35 mm) deep threads - Was 6693238 - B

3

6693238

IDLER, REAR 2 See Illustration REAR IDLER/ PE2555 - W/threaded holes - 1.77'' (45 mm) deep threads

4

6734703

FRAME, LH track

4

6734702

FRAME, RH track

5

53D10

NUT

6

6686384

MOTOR, DRIVE HYD

7

7165111

SPROCKET Was 6736306

8

31C1228

BOLT

9

7240780

COVER, ACCESS Was 6716010 - A

10

84G3712

BOLT 5

11

31C1032

BOLT

12

TENSIONER, TRACK ASSY See Illustration TRACK TENSIONER/ PE1491 - Was 7152280 - A

13

83D12

NUT W/Ref. 14

14

ROLLER ASSY See Illustration TRACK ROLLER/ PE2556 - NLA - Order Ref. 26 & (2) of Ref. 2 - Was 6686632 - A

15

6693237

IDLER, FRONT 2 See Illustration FRONT IDLER/ PE2554 Was 6691267 - A

16

TRACK, RUBBER See Illustration TRACKS/ NA6161

17

17C616

BOLT 5

18

31C1220

BOLT

19

85D6

NUT, 5

20

6726066

STOP base cylinder

21

17C628

BOLT

22

6700182

COVER, DRAIN

23

84G3716

SCREW 5

24

6730378

COVER

25

6737088

COVER, ACCESS

26

ROLLER, TRACK 2 See Illustration TRACK ROLLER/ PE2556 - NLA - W/threaded holes - 1.38'' (35 mm) deep threads - Was 6689371 - B

26

6689371

ROLLER, TRACK 2 See Illustration TRACK ROLLER/ PE2556 - W/threaded holes - 45 mm (1.77'') deep threads

Выбрано товаров: 30