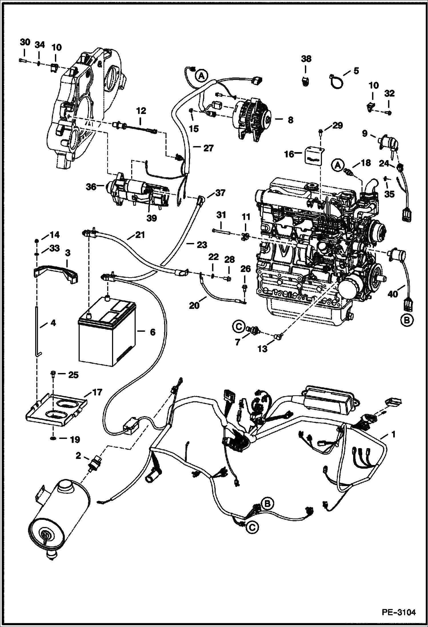
Запчасти Bobcat T-Series ENGINE ELECTRICAL CIRCUITRY ELECTRICAL SYSTEM

Схема запчастей Bobcat T-Series - ENGINE ELECTRICAL CIRCUITRY ELECTRICAL SYSTEM
FIT
1:1
100%

Артикул

Название

Примечание

Количество

1

7103113

HARNESS, MFR

2

6665371

SWITCH condition indicator

3

6569203

CLAMP

4

6576280

BOLT

5

6624289

STRAP, TIE

6

6674687

BATTERY, DRY 600 AMP

7

6674315

SENSOR eng oil pressure

8

ALTERNATOR See Illustration ALTERNATOR/ C3529

9

SOLENOID NLA- fuel shutoff W/molded connector - Order Ref. 40 - Was 6684826 - A

10

6678818

MOUNT

11

6679034

MOUNT

12

6684037

SENSOR rpm

13

6707040

ELBOW 90 degree

14

59D5

NUT 5

15

43DM8

NUT

16

7104540

BRACKET

17

6718260

BATTERY PAN

18

6718414

SENDER, TEMP ENG

19

616783

WASHER

20

6565170

CABLE neg

21

6729008

CABLE neg

22

6E6

WASHER

23

6731256

CABLE pos

24

6736515

HARNESS fuel shutoff solenoid - Use W/Ref. 9

25

84G3716

SCREW 5

26

84G3712

BOLT 5

27

7101311

HARNESS starter/alt.

27

6641179

CONNECTOR 2-pin

28

35C620

BOLT 5

29

29CM820

SCREW

30

1CM825

BOLT

31

1CM870

BOLT

32

84G3112

BOLT 5

33

25E15

WASHER

34

25E14

WSHR

35

6E4

WASHER 10

36

STARTER See Illustration STARTER/ B16488R

37

6560172

COVER service

38

6678667

MOUNT

39

4DM10

NUT

40

6691498

SOLENOID, SHUTOFF FUEL 240 mm (9.45'') lead

Выбрано товаров: 41