Качественные детали и логистика
Оригинальные и аналоговые запчасти с доставкой по России, Казахстану и Беларуси
©2022 PartSell ООО "Система" ИНН 2463123282 ОГРН 1212400004838
Центральный офис: г. Красноярск, Академика Киренского, д.87, пом.4
Телефон: 8 (800) 777-65-74 Email: zakaz@partsell.ru
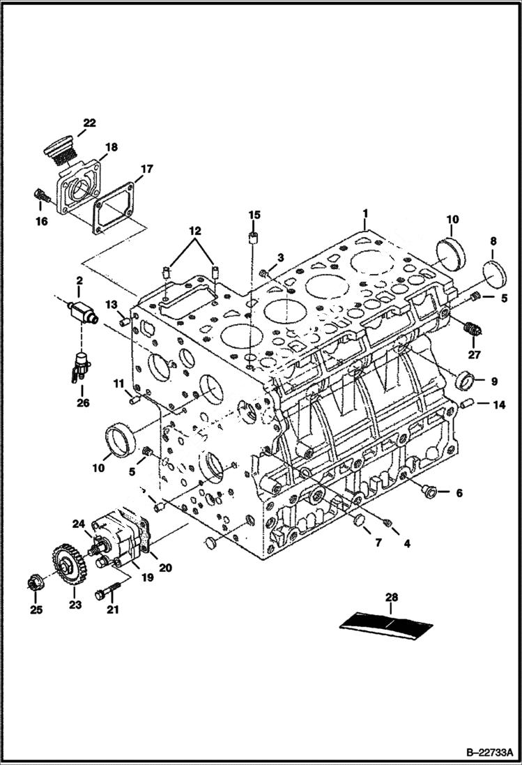
CRANKCASE (Kubota - V2403TMDI)
№
Артикул
Название
Примечание
Количество
1
6686044
CRANKCASE assy. - W/Ref. 2 - 15
2
6678946
ADAPTER
3
6652574
PLUG
4
6685477
5
6652575
6
6598187
7
6667418
PLUG expansion
8
6657663
9
3974389
CAP, SEALING sealing
10
3974390
PLUG sealing - Was 6680639 - A
11
3974393
PIN straight
12
3974394
13
3974395
14
3974868
15
3974037
PIN pipe
16
6652580
BOLT
17
6666783
GASKET Was 6684752 - A
18
6685478
FLANGE oil fill
19
6692380
OIL PUMP Was 6682498 - D
20
6666782
GASKET
21
6655195
22
7015273
PLUG, FILL oil fill - Was 6685472 - A
23
3975441
GEAR, CAMSHAFT
24
6969805
KEY,FEATHER Was 15JM00410B - A
25
6653888
NUT
26
6672190
DRAINCOCK
27
16F2
28
GASKET KIT See Illustration LOWER GASKET KIT/ NA2273A LOWER - DOES NOT INCLUDE REAR OIL SEAL
Выбрано товаров: 0