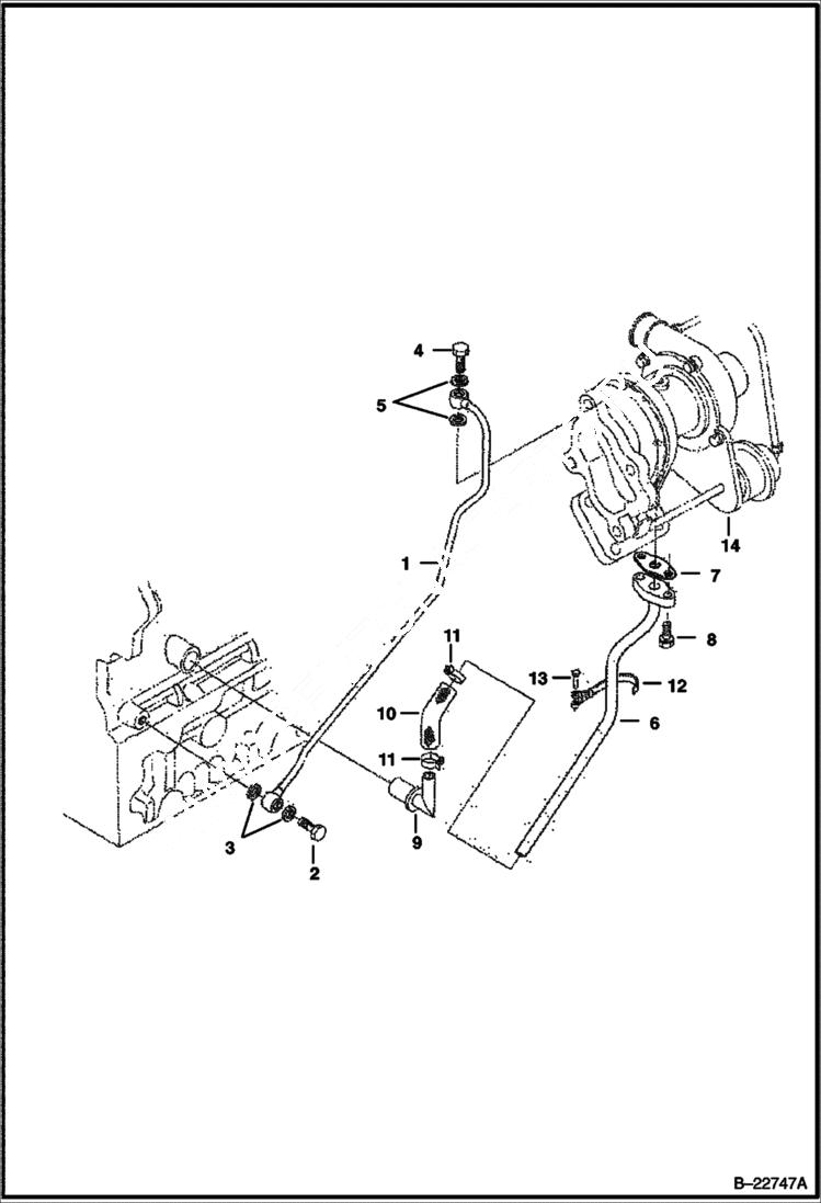
Запчасти Bobcat T-Series OIL PIPE (Turbo Charger) (Kubota - V2403TMDI) POWER UNIT

Схема запчастей Bobcat T-Series - OIL PIPE (Turbo Charger) (Kubota - V2403TMDI) POWER UNIT
FIT
1:1
100%

Артикул

Название

Примечание

Количество

1

6686055

PIPE

2

7022765

BOLT, EYE Was 6680791 - A

3

3974095

MET-GASK

4

6685598

BOLT eye

5

7000642

WASHER, SEALING COPPER consists of 2 gaskets attached by a tab - Was 6685962 - B

6

6685599

PIPE

7

6680570

GASKET oil return tube - Was 6675626 - A

8

1CM620

BOLT Was 4CM620 - A

9

6684884

PIPE

10

6685600

TUBE

11

6675618

CLAMP

12

6685601

CLAMP

13

6680576

PIN Was 6675683 - A

14

TURBO See Illustration TURBO CHARGER/ B22742A

Выбрано товаров: 14