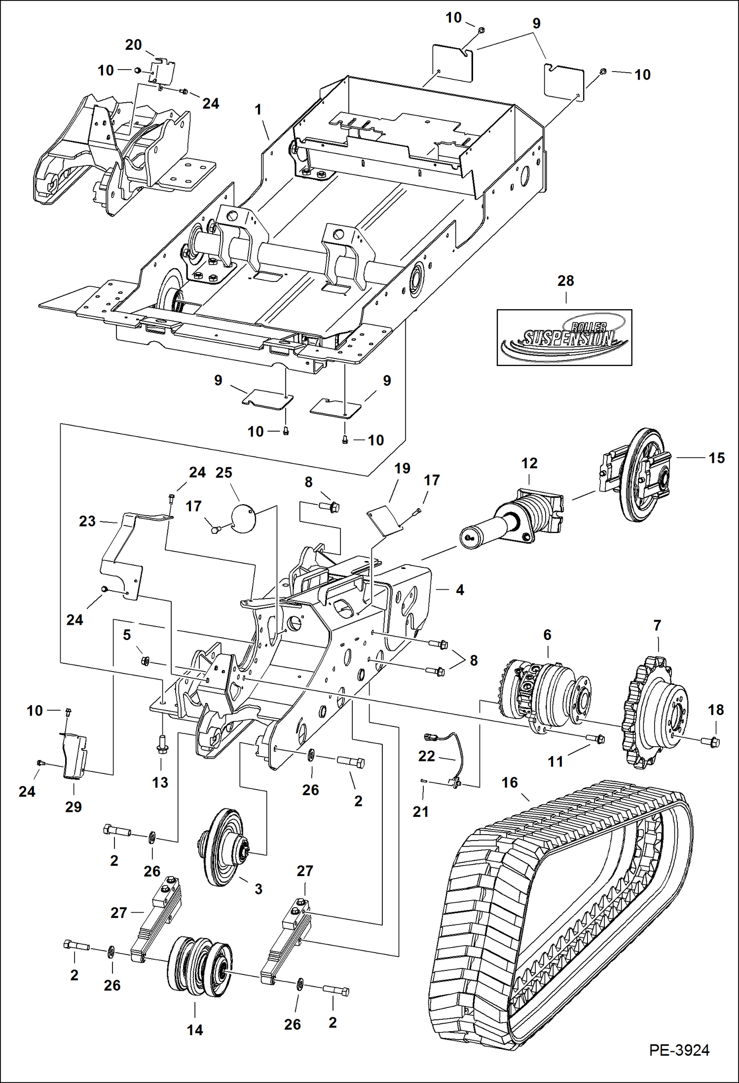
Запчасти Bobcat T-Series DRIVE TRAIN (Roller Suspension) (S/N A3LL11001 - 36499) DRIVE TRAIN

Схема запчастей Bobcat T-Series - DRIVE TRAIN (Roller Suspension) (S/N A3LL11001 - 36499) DRIVE TRAIN
FIT
1:1
100%

Артикул

Название

Примечание

Количество

1

7107237

DRIVECASE

2

7143955

BOLT

3

6697933

IDLER REAR See Illustration REAR IDLER/ PE3460

4

7143426

FRAME, TRACK LH

4

7143425

FRAME, TRACK RH

5

53D10

NUT

6

MOTOR, DRIVE See Illustration HYDROSTATIC MOTOR/ MS2282 - R921810784

7

7165111

SPROCKET

8

31C1232

SCREW

9

7240780

COVER, ACCESS Was 6716010 - A

10

84G3712

BOLT 5 manual controls

10

84G3712

BOLT 5 selectable joystick controls

11

31C1032

BOLT

12

TENSIONER, TRACK ASSY See Illustration TRACK TENSIONER/ PE3812

13

31C1228

BOLT

14

6693239

ROLLER ASSY See Illustration TRACK ROLLER/ PE2556

15

6693237

IDLER, FRONT 2 See Illustration FRONT IDLER/ PE2554

16

TRACK, RUBBER See Illustration TRACKS/ NA6160

17

17C616

BOLT 5

18

31C1220

BOLT

19

7137132

COVER

20

7166557

SHIELD LH - selectable joystick controls

21

7102184

SCREW selectable joystick controls

22

SENSOR, SPEED See BTI419 - NLA - Was 7139902

23

7166480

SHIELD RH

23

7166481

SHIELD LH

24

84G3716

SCREW 5

25

7143346

COVER, ACCESS

26

28E14

WASHER

27

7131652

SPRING, SUSPENSION RH outside - LH inside

27

7131653

SPRING, SUSPENSION LH outside - RH inside

28

7146178

DECAL roller suspension

29

7166556

SHIELD RH - selectable joystick controls

Выбрано товаров: 33