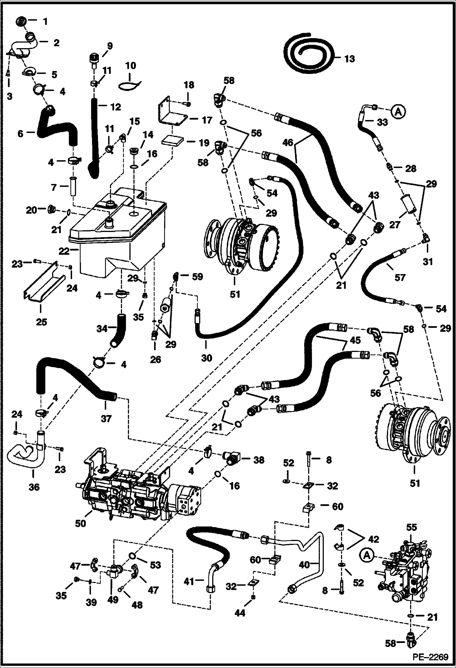
Запчасти Bobcat T-Series HYDROSTATIC CIRCUITRY (Manual Hand Controls) (S/N 527513001 & Above, 527613001 & Above) HYDROSTATIC SYSTEM

Схема запчастей Bobcat T-Series - HYDROSTATIC CIRCUITRY (Manual Hand Controls) (S/N 527513001 & Above, 527613001 & Above) HYDROSTATIC SYSTEM
FIT
1:1
100%

Артикул

Название

Примечание

Количество

1

6717827

CAP

2

6717830

TUBE

3

84G3710

SCREW

4

5HM42

HOSECLAMP

5

6718772

GASKET

6

6718020

HOSE

7

6732215

FILTER Was 6729982 - A

8

17C640

BOLT 5 Was 84G003720B - D

8

17C644

BOLT

9

7025626

VENT, BREATHER - Was 6684923 - A

10

6610510

TIE

11

5HM24

CLAMP

12

HOSE NLA - 21.5''(546,1 mm) long - Order Ref. 13

13

6578172

HOSE bulk - sold per foot

14

6727637

ELBOW barbed

15

47K10

PLUG W/Ref. 16

16

79K16

O RING 10

17

6726254

BRACKET

18

84G3716

SCREW 5

19

6726255

PAD bumper

20

6665915

GAUGE W/Ref. 21

20

6734563

WASHER KIT

20

6734561

WASHER

20

25K30118

O RING 10

21

79K12

O RING 10

22

6728673

TANK

23

17C616

BOLT 5

24

61D6

NUT 5

25

6726162

BRACKET

26

6715190

ELBOW W/Ref. 29

27

6661022

FILTER, OIL HYD IN-LINE

28

15KB0606

FITTING, HYD CONNECTOR W/Ref. 29

29

79K6

O RING 10

30

7191135

HOSE, HYD Was 6726271 - B

31

17KB0606

FITTING W/Ref. 29

32

6592507

PLATE

33

7106208

HOSE Was 7100142 - B

34

6717905

HOSE

35

24K5

PLUG W/Ref. 29

35

24K5

PLUG W/Ref. 29

36

6726159

TUBE

37

6729052

HOSE

38

6715191

ELBOW W/Ref. 16

39

95K6

O'RING

40

6736773

TUBE

40

7109922

TUBE Use W/ ''H'' style control valve mount

41

6733197

HOSE 30''(762 mm) long

42

7100462

CLAMP

43

6737453

ELBOW W/Ref. 21

44

83D6

NUT 5

45

6676408

HOSE, HYD 24.25'' (615,95 mm) long

46

6676407

HOSE 22.25'' (565,15 mm) long

47

19J12

CLAMP

48

17C620

BOLT

49

7103952

TEE split flange - Use W/Ref. 35 - Was 6734048 - A

49

7106040

ELBOW split flange - Use W/O Ref. 35

50

PUMP See Illustration HYDROSTATIC PUMP/ B17103

51

MOTOR See Illustration HYDROSTATIC MOTOR/ B20896

52

619021

WASHER, 5

52

619021

WASHER, 5

53

55K214

O-RING

54

18KB0606

FITTING, HYD ELBOW W/Ref. 29

55

VALVE See Illustration HYDRAULIC CONTROL VALVE/ PE2262

56

75K12

O'RING 10

57

7191136

HOSE, HYD Was 6726276 - B

58

7101797

ELBOW W/Ref. 60

59

21KB0606

FTG HYD STRAIGHT TEE W/Ref. 29

60

6592506

CLAMP

Выбрано товаров: 68