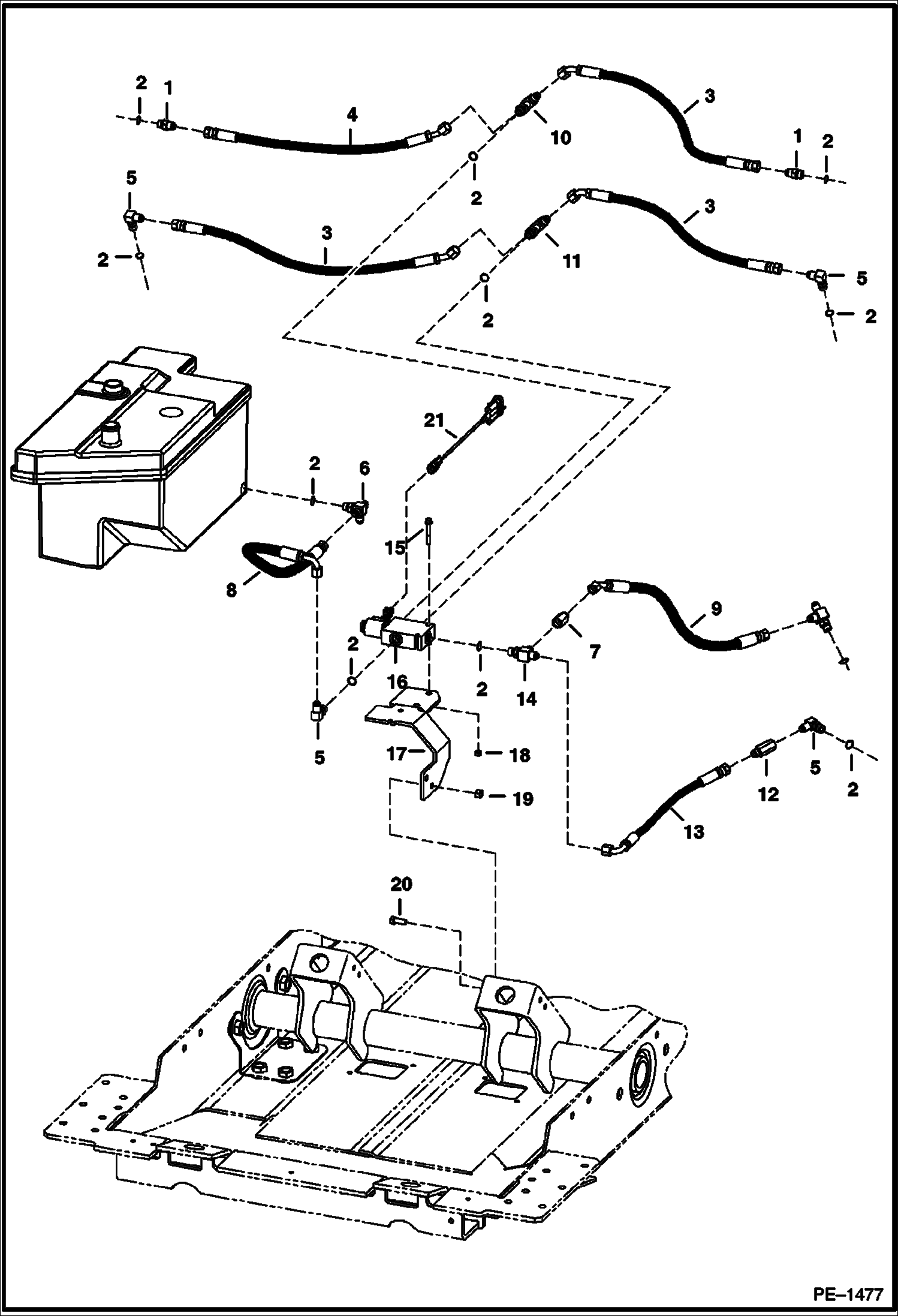
Запчасти Bobcat T-Series HYDROSTATIC CIRCUITRY (Brake Valve) (S/N 5193 -13197, 5194 -12038) HYDROSTATIC SYSTEM

Схема запчастей Bobcat T-Series - HYDROSTATIC CIRCUITRY (Brake Valve) (S/N 5193 -13197, 5194 -12038) HYDROSTATIC SYSTEM
FIT
1:1
100%

Артикул

Название

Примечание

Количество

1

ADAPTER NLA - W/Ref. 2 - tapered boss face - Was 15KV00005B - A

1

97K6

O RING flared end

1

15KB0606

FITTING, HYD CONNECTOR W/Ref. 2 - flat boss face

2

99K6

O RING tapered boss face

2

79K6

O RING 10 flat boss face

3

6726191

HOSE 22.25''(565,2 mm) long

4

6726156

HOSE 19''(482,6 mm) long

5

ELBOW NLA - W/Ref. 2 - tapered boss face - Was 17KV00005B - A

5

97K6

O RING flared end

5

17KB0606

FITTING W/Ref. 2 - flat boss face

6

6725497

CROSS W/Ref. 2 - check boss face to determine correct replacement O-ring

6

97K6

O RING flared end

7

6678026

RELIEF VALVE 500 PSI - non adjustable

8

6726175

HOSE

9

6719654

HOSE See Illustration HYDROSTATIC CIRCUITRY/ PE1318R 18.5''(469,9 MM) LONG - CONNECTS TO REF. 59

10

6805696

TEE W/Ref. 2 - check boss face to determine correct replacement O-ring

10

97K6

O RING flared end

11

TEE NLA - W/Ref. 2 - tapered boss face - Was 19KV00005B - A

11

97K6

O RING flared end

11

19KB0606

TEE W/Ref. 2 - flat boss face

12

6678027

CHECK VALVE

13

6802851

HOSE

14

TEE NLA - W/Ref. 2 - tapered boss face - Was 21KV00005B - A

14

97K6

O RING flared end

14

21KB0606

FTG HYD STRAIGHT TEE W/Ref. 2 - flat boss face

15

17C428

BOLT Was 35C000428B - A

16

6679086

VALVE brake

16

6678562

SOLENOID

16

6679770

STEM

16

6675731

COIL

16

6668820

NUT

16

6672756

KIT, SEAL

17

6726190

BRACKET

18

61D4

NUT 5

19

61D6

NUT 5

20

17C616

BOLT 5

21

6716789

HARNESS See Illustration ENGINE ELECTRICAL CIRCUITRY/ PE1040R BRAKE VALVE

Выбрано товаров: 37