Запчасти Bobcat T-Series HYDROSTATIC CIRCUITRY (Brake Valve) (S/N 5193 13198 & Abv, 5194 12039 & Abv) HYDROSTATIC SYSTEM

Схема запчастей Bobcat T-Series - HYDROSTATIC CIRCUITRY (Brake Valve) (S/N 5193 13198 & Abv, 5194 12039 & Abv) HYDROSTATIC SYSTEM
FIT
1:1
100%

Артикул

Название

Примечание

Количество

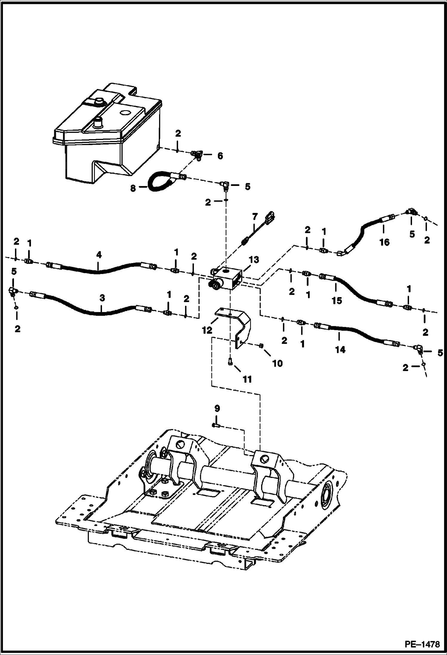
1

ADAPTER NLA - W/Ref. 2 - tapered boss face - Was 15KV00005B - A

1

97K6

O RING flared end

1

15KB0606

FITTING, HYD CONNECTOR W/Ref. 2 - flat boss face

2

99K6

O RING tapered boss face

2

79K6

O RING 10 flat boss face

3

6732115

HOSE 21.50''(546,1 mm) long

4

6732116

HOSE 19''(482,6 mm) long

5

ELBOW NLA - W/Ref. 2 - tapered boss face - Was 17KV00005B - A

5

97K6

O RING flared end

5

17KB0606

FITTING W/Ref. 2 - flat boss face

6

6725497

CROSS W/Ref. 2 - check boss face to determine correct replacement O-ring

6

97K6

O RING flared end

6

17KB0606

FITTING W/Ref. 2

6

6725182

TEE W/Ref. 2

7

6732781

HARNESS See Illustration ENGINE ELECTRICAL CIRCUITRY/ PE1040R BRAKE VALVE - WAS 6716789 - A

8

6701039

HOSE

9

17C616

BOLT 5

10

61D6

NUT 5

11

17C612

BOLT 5

12

6732114

BRACKET

13

6678239

VALVE brake - Was 6679086 - A

13

6679773

SOLENOID

13

STEM NSS - Order 6679773 solenoid - Was 6679770 - D

13

6688356

COIL Was 6675731 - B

13

NUT NSS - Order 6688356 coil - D

13

6672756

KIT, SEAL

13

6679771

CHECK VALVE

13

6679772

RELIEF VALVE

14

6732117

HOSE 17.50''(444,5 mm) long

15

6732118

HOSE 15.50''(393,7 mm) long

16

6709166

HOSE

Выбрано товаров: 31