Запчасти Bobcat T-Series HYDROSTATIC MOTOR HYDROSTATIC SYSTEM

Схема запчастей Bobcat T-Series - HYDROSTATIC MOTOR HYDROSTATIC SYSTEM
FIT
1:1
100%

Артикул

Название

Примечание

Количество

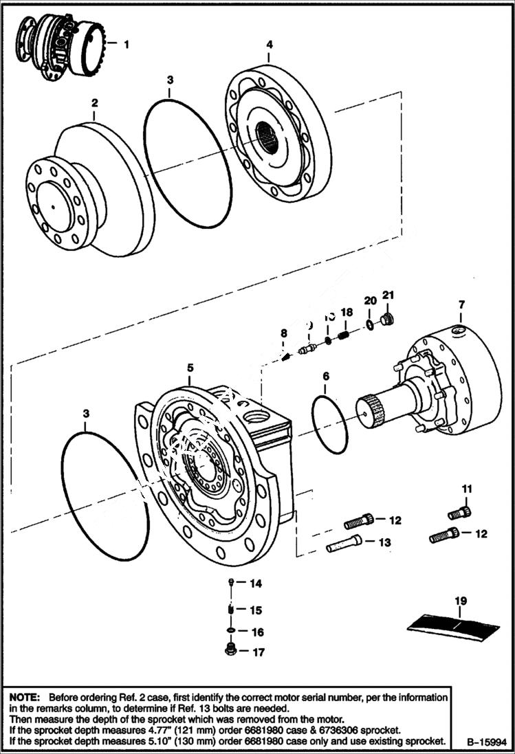
1

MOTOR See BTI365 NLA - Model 5830003152 - Was 6675783 - A

2

CASE NLA - SEE NOTE - front - W/shallow tapped holes for Ref. 11 & 12 - Order 6681980 case & (10) of Ref. 13 - The serial number listed is the vendor motor serial number - Was 6681980 - B

2

CASE NLA - SEE NOTE - front - W/deeper tapped holes for Ref. 12 & 13 - This designed motor case has deeper threads to accept longer Ref. 12 & 13 bolts - The serial number listed is the vendor motor se

2

7024981

OIL, SYNTHETIC DRIVE MOTOR 4 236 ml (8 oz) - Was 7003026 - A

3

6675864

QUAD RING

4

6679774

ROTARY GROUP W/Cam - Was 6678148 - A

4

6690158

ROTOR GROUP Was 6675222 - D

4

6678132

CAM

5

7021029

HOUSING See Illustration HYDROSTATIC MOTOR/ B15997 rear - also order 6689683 & (2) of 6691100 - Was 6678140 - A

6

6675863

QUAD RING

7

6678141

BRAKE, HYD MOTOR See Illustration HYDROSTATIC MOTOR/ B15995

8

6678124

SPRING

9

6675866

SPOOL

10

6678137

WASHER

11

6678958

BOLT M12 x 70 mm - The serial number listed is the vendor motor serial number

12

6691217

SCREW M16 x 70mm - The serial number listed is the vendor serial number - Was 6674704 - A

12

6691217

SCREW M16 x 70mm - The serial number listed is the vendor serial number - Was 6674704 - A

13

6678959

BOLT M12 x 80 mm - The serial number listed is the vendor motor serial number

14

6678123

POPPET

15

6674344

SPRING

16

6675869

O-RING

17

6674345

PLUG

18

6678125

SPRING

19

6678142

KIT, SEAL includes Ref. 3, 6 & 16 on this page - also includes Ref. 15, 18 & 20 on illustration B15995, Ref. 4 & 7 on illustration B15996, and Ref. 4 - 6, 9 & 10 on illustration B15997

20

6675093

O-RING

21

6678149

PLUG

Выбрано товаров: 26