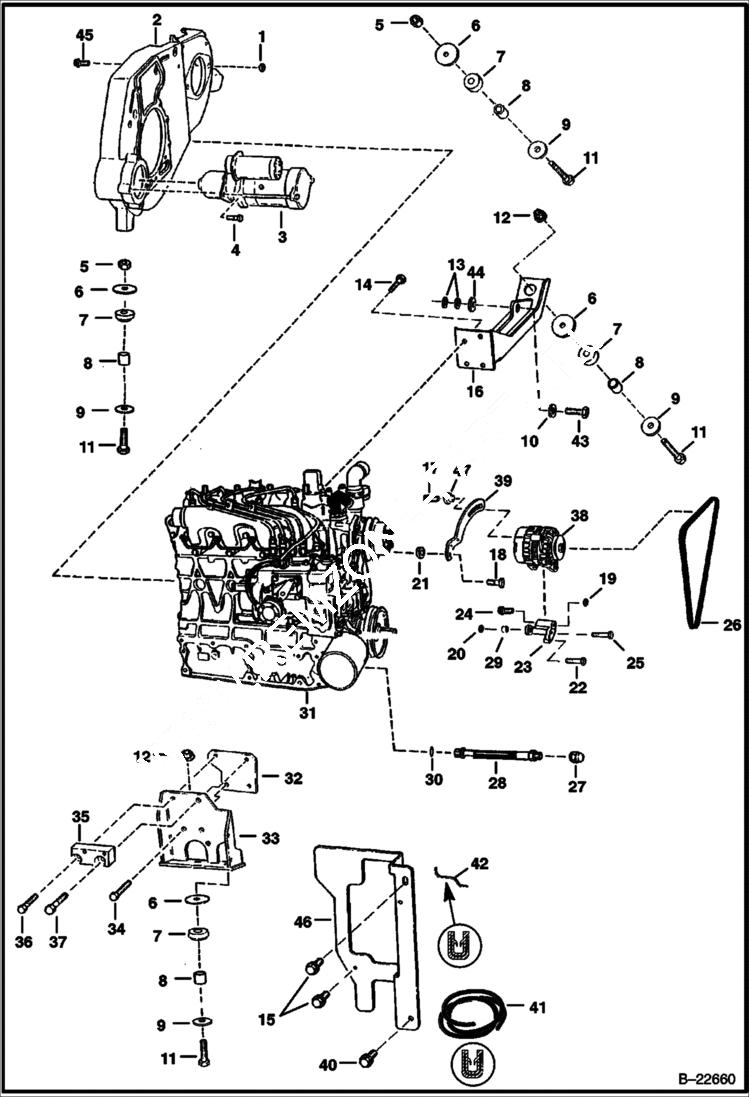
Запчасти Bobcat T-Series ENGINE & ATTACHING PARTS (Engine Mounts) (S/N 5270 11001 & Abv, 5279 11001 & Abv) POWER UNIT

Схема запчастей Bobcat T-Series - ENGINE & ATTACHING PARTS (Engine Mounts) (S/N 5270 11001 & Abv, 5279 11001 & Abv) POWER UNIT
FIT
1:1
100%

Артикул

Название

Примечание

Количество

1

85D8

NUT, 5

2

6726613

MOUNT, ENG See Illustration ENGINE & ATTACHING PARTS/ E2288R Was 6728062 - A

3

STARTER See Illustration STARTER/ B16488R Was 6685190 - A

4

35C620

BOLT 5

5

6652918

NUT

6

6705106

WASHER

7

6661785

MOUNT, ENG

8

7110276

SPACER, TAPERED tapered - Was 6715287 - A

9

6661787

WASHER

10

6734432

SPACER 1.0'' thick - Use W/Ref. 43 (6675221 Bolt)

11

43C852

BOLT

12

83D8

NUT 5

13

25E21

WASHER 5 Use 2 max.

14

6719827

BOLT

15

84G3712

BOLT 5

16

7104568

MOUNT engine & hyd. pump - for horizontal hardware mounting of hydrostatic pump - Was 6712161 - A

17

35C516

BOLT 10

18

29CM820

SCREW

19

57D5

NUT

20

53DM8

NUT

21

6E5

WASHER

22

1CM890

BOLT

23

6725427

BRACKET

24

17C556

BOLT

25

1CM8100

SCREW

26

7100104

BELT, ALT Was 6675837 - B,D

27

36K6

CAP

28

6563445

HOSE

29

6675838

BUSHING

30

79K8

O RING 10

31

ENGINE See Illustration ENGINE & GASKET KITS/ NA1521

32

6700535

SPACER

33

6703981

MOUNT

33

6703981

MOUNT W/Ref. 32

34

6719828

BOLT

35

6736817

MOUNT fuel filter

36

6719826

BOLT

37

6719829

BOLT

38

6675292

ALTERNATOR See Illustration ALTERNATOR/ C3529 90 AMP.

39

6730867

BRACKET Use W/Ref. 38

40

84G3716

SCREW 5

41

6654139

MOULDING bulk - sold per foot

42

MOULDING NLA - 5.5''(139,7 mm) long - Order Ref. 41

43

6675221

BOLT hyd. pump mount - 2.25'' long

44

6703140

WASHER

45

17C828

BOLT hyd pump mount

46

6731060

SHIELD bolts to upright

47

6817566

BUSHING

Выбрано товаров: 48