Качественные детали и логистика
Оригинальные и аналоговые запчасти с доставкой по России, Казахстану и Беларуси
©2022 PartSell ООО "Система" ИНН 2463123282 ОГРН 1212400004838
Центральный офис: г. Красноярск, Академика Киренского, д.87, пом.4
Телефон: 8 (800) 777-65-74 Email: zakaz@partsell.ru
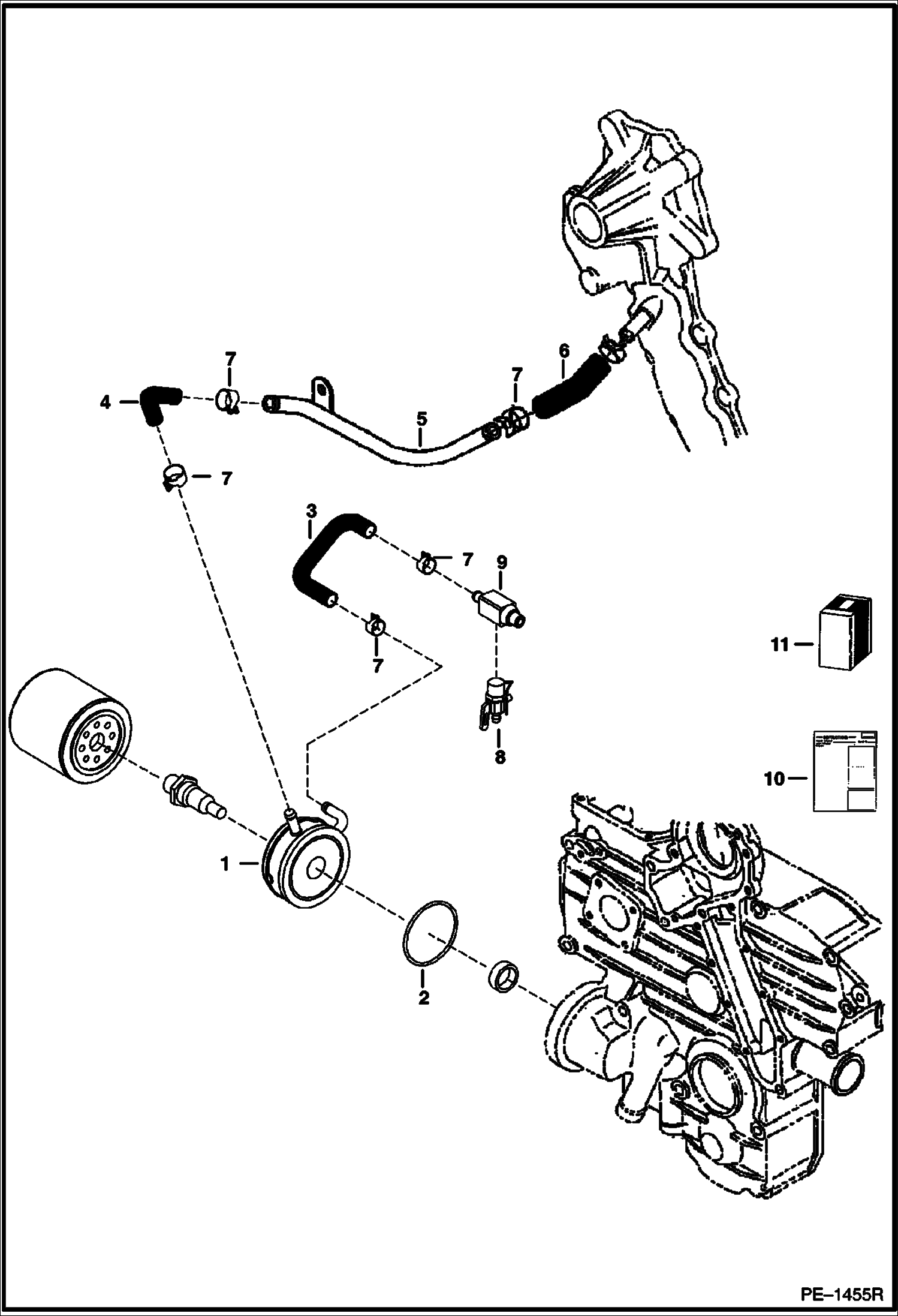
OIL COOLER (Kubota - V2003T) (S/N 5193 11923- , 5194 11174- )
№
Артикул
Название
Примечание
Количество
1
OIL COOLER NLA - Was 6685641 - A
2
6698244
ORING Was 6657422 - B,D
3
6678945
HOSE
4
6675653
PIPE, OIL COVER
5
6675682
TUBE
6
6675651
PIPE, WATER
7
6680580
CLAMP Was 6652748 - A
8
6678943
VALVE
9
6678946
ADAPTER
10
6901701
INSTRUCTIONS
11
6731956
KIT oil cooler - Ref. 1-3 & 7-10
Выбрано товаров: 0