Запчасти Bobcat T-Series GEARCASE (Kubota - V2003TMDI - Tier II) (S/N 5270 11001 & Abv, 5279 11001 & Abv) POWER UNIT

Схема запчастей Bobcat T-Series - GEARCASE (Kubota - V2003TMDI - Tier II) (S/N 5270 11001 & Abv, 5279 11001 & Abv) POWER UNIT
FIT
1:1
100%

Артикул

Название

Примечание

Количество

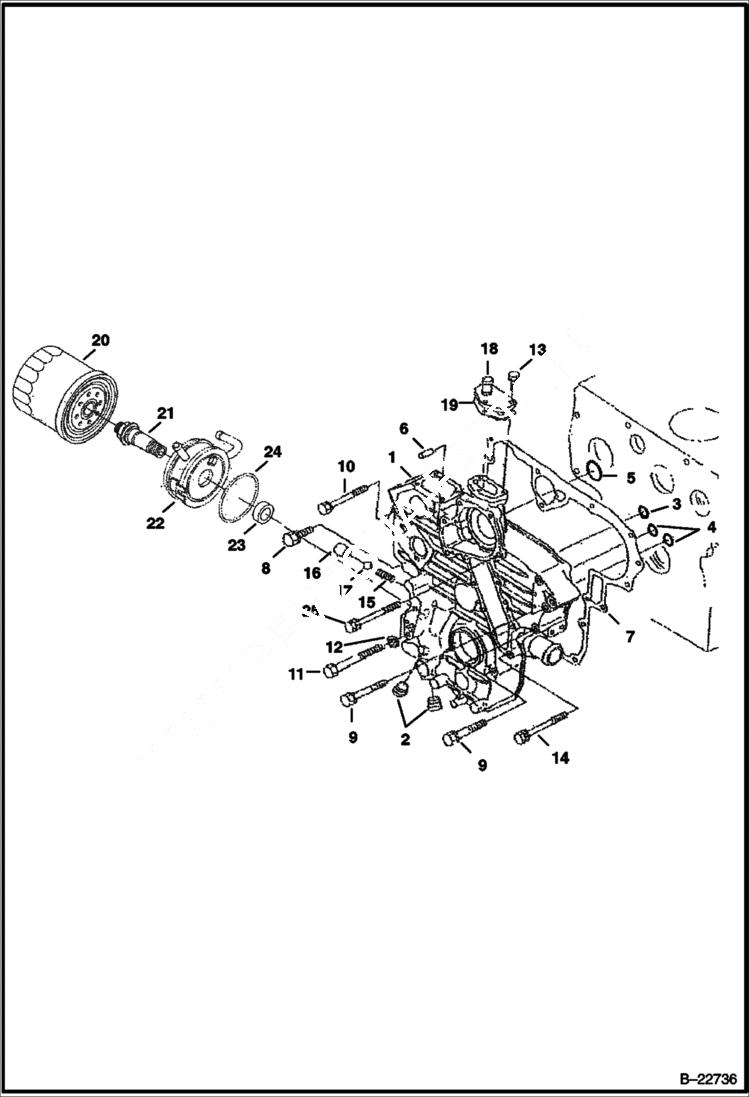
1

HOUSING, GEAR NLA - W/Ref. 2 - Order 7012337 gearcase, 7010599 gasket and DO NOT USE Ref. 3-5 - Was 6688645 - A

1

7012337

HOUSING, GEAR W/Ref. 2

2

6672360

PLUG

3

6685466

O-RING

4

6685467

O-RING

5

6685468

O-RING

6

3974395

PIN

7

6684770

GASKET

7

7010599

GASKET, GEARCASE

8

1CM835

BOLT

9

1CM870

BOLT

10

6653807

BOLT

11

6684772

BOLT

12

6667422

WASHER

13

1CM620

BOLT Was 4CM620 - A

14

6653808

BOLT

15

6652652

SPRING

16

3974893

SEAT valve

17

10J13

BALL

18

3974894

FLANGE water return

19

6666803

GASKET water return flange - Was 6684774 - A

20

6675517

FILTER, OIL ENG 12

21

CONNECTOR NLA - Order 7020646 connector and 7020866 collar - Was 6675681 - A

22

OIL COOLER See Illustration OIL COOLER/ B22748 NLA - Was 6685641 - A

23

6685637

COLLAR

24

6698244

ORING Was 6657422 - B,D

25

6653808

BOLT

Выбрано товаров: 27