Запчасти Bobcat T-Series ROCKER ARM COVER (Kubota - V2003-T-2EB - Tier II Replacement) REPLACEMENT ENGINE

Схема запчастей Bobcat T-Series - ROCKER ARM COVER (Kubota - V2003-T-2EB - Tier II Replacement) REPLACEMENT ENGINE
FIT
1:1
100%

Артикул

Название

Примечание

Количество

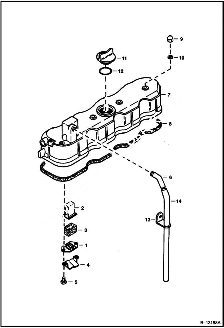
1

3974924

PLATE element

2

3974925

PLATE element

3

3974926

BREATHER breather

4

3974927

SHIELD breather

5

6667426

SCREW W/Washer

6

6652624

JOINT breather pipe

7

6655175

COVER valve

8

6598136

GASKET, COVER VALVE

9

3974923

NUT cap

10

3974095

MET-GASK

11

6685924

CAP oil filler - Was 6652653 - A

12

6684782

O-RING

13

3974931

CLAMP pipe

14

6686994

PIPE breather

Выбрано товаров: 14