Запчасти Bobcat T-Series DECALS ACCESSORIES & OPTIONS

Схема запчастей Bobcat T-Series - DECALS ACCESSORIES & OPTIONS
FIT
1:1
100%

Артикул

Название

Примечание

Количество

1

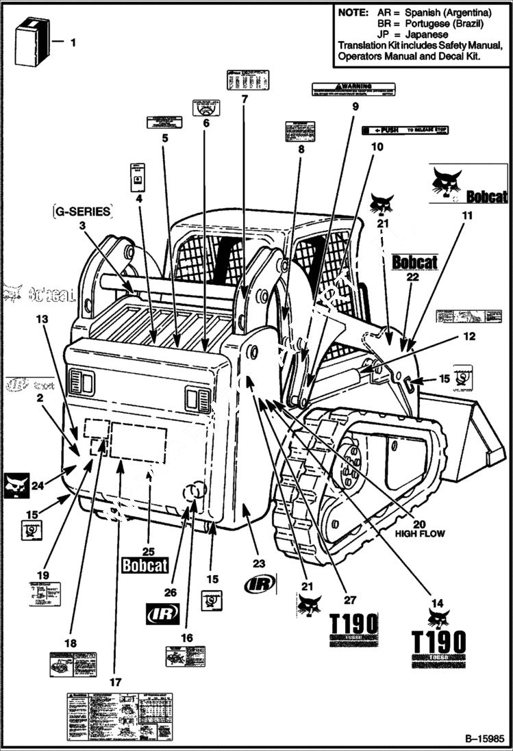
6901380

KIT decal - Ref. 4-6, 8-10, 12, 13, 15-19, 21, 22 & 27 - Also Ref. 2, 4-8, 11-15, 17, 19-22, 26 & 27 on illustration B15984

1

6731911AR

KIT decal - SEE NOTE

1

6731911BR

KIT decal - SEE NOTE

1

6731911JP

KIT decal - SEE NOTE

1

7105831AR

KIT, TRANSLATION translation - SEE NOTE - Was 6731912AR - A

1

7105831BR

KIT, TRANSLATION translation - SEE NOTE - Was 6731912BR - A

2

DECAL NLA - Logo - not in kit - Was 6727311 - A

3

6717907

DECAL ''G'' Series - Not in Kit

4

6565990

DECAL, OIL HYD 5 hydrostatic fluid fill

5

6708929

DECAL, COOLANT propylene glycol

6

6719574

DECAL coolant level

7

DECAL NLA - patent - Was 6557224 - C

8

6560573

DECAL spark arrestor

9

6577754

DECAL, WARNING 5 gas spring

10

6578368

DECAL, OPERATION push to release stop

11

6730909

DECAL R.H. - Not in Kit - Was 6727755 - A

11

6730910

DECAL L.H. - Not in Kit

12

6719018

DECAL boom stop - Was 6729852 - A

13

6735901

DECAL, LOGO BOBCAT HEAD white

14

DECAL NLA - Model - Order Ref. 21 & 27 - Was 6729473 - A

15

6727595

DECAL Was 6595014 - B

16

6565200

DECAL, FILTER

17

6734534

DECAL, SERVICE service/warning/service parts - Was 6718398 - A

18

6709030

DECAL belt tension - spring loaded idler

19

6717679

DECAL check oil

20

6727913

DECAL hi-flow - Not in Kit

21

6731507

DECAL RH - Bobcat head - black

22

6731336

DECAL Bobcat - black

23

DECAL NLA - IR Logo - Black - Was 6735864 - A

24

DECAL NLA - Bobcat head - white - Order Ref. 28 - Was 6732420 - A

25

DECAL NLA - Bobcat - white - Order Ref. 28 - Was 6732419 - A

26

DECAL NLA - IR - White - Was 6732423 - A

27

6729473

DECAL model

Выбрано товаров: 33