Качественные детали и логистика
Оригинальные и аналоговые запчасти с доставкой по России, Казахстану и Беларуси
©2022 PartSell ООО "Система" ИНН 2463123282 ОГРН 1212400004838
Центральный офис: г. Красноярск, Академика Киренского, д.87, пом.4
Телефон: 8 (800) 777-65-74 Email: zakaz@partsell.ru
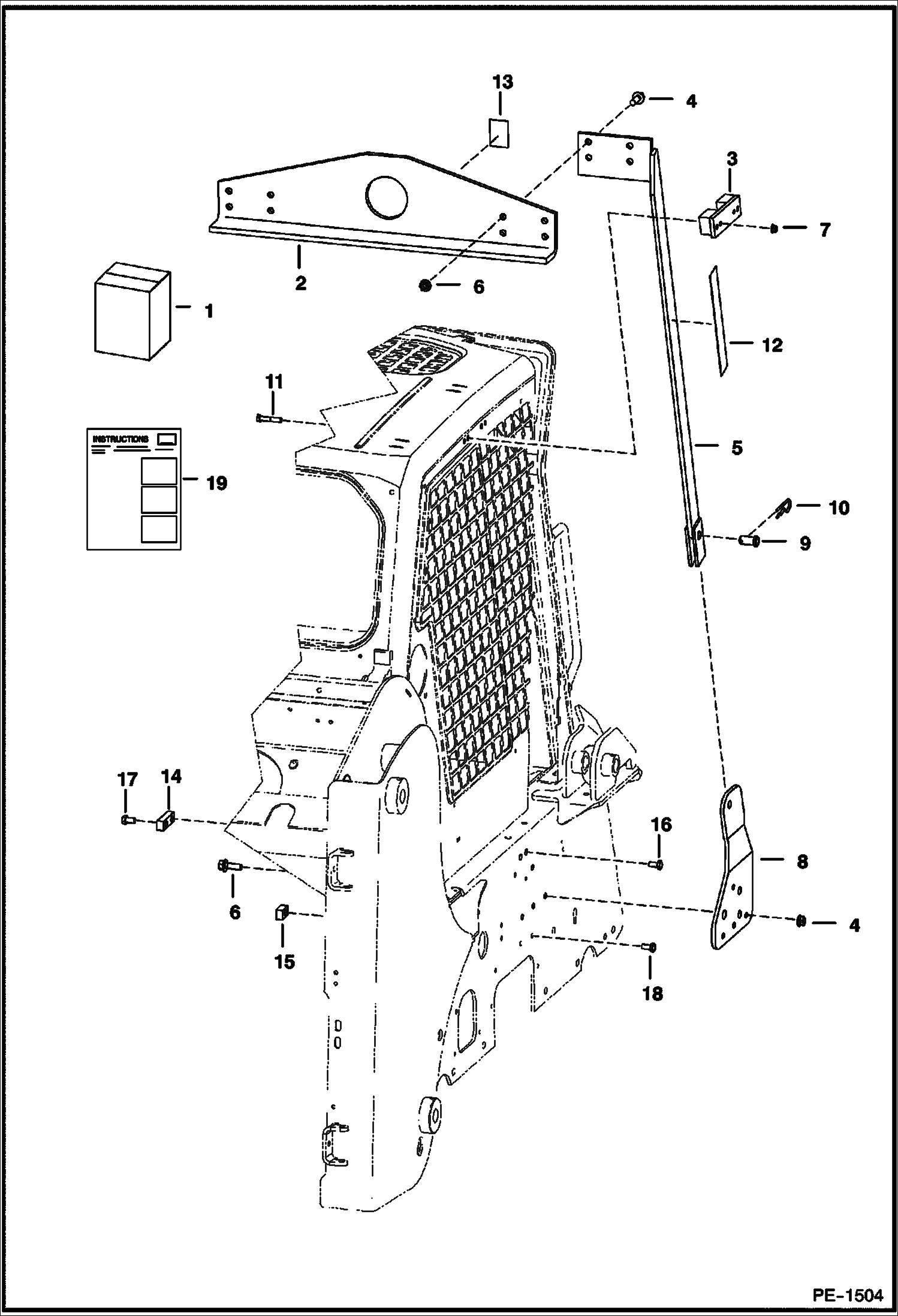
LIFT KIT (Single Point) (For Use W/O Window Rib Kit)
№
Артикул
Название
Примечание
Количество
1
6719264
KIT Ref. 2-19 - NOT compatable W/ 7122462 window rib kit
2
6567827
ANGLE
3
6719184
MOUNT LH
6719185
MOUNT RH
4
31C824
BOLT 10
5
6704146
BRACKET RH
6704147
BRACKET LH - Was 6725300 - B,D
6
57D8
NUT 10
7
57D6
NUT 5
8
6731658
BRACKET RH - Was 6725031 - A
6731657
BRACKET LH - Was 6719843 - A
9
6567838
PIN
10
1320075
PIN, COTTER
11
17C632
BOLT 5
12
6704786
DECAL, WARNING check before lifting
13
6533898
DECAL hook
14
7124571
SPACER
15
7124572
16
17C512
17
17C612
18
17C628
BOLT
19
6900888
INSTRUCTIONS
Выбрано товаров: 0