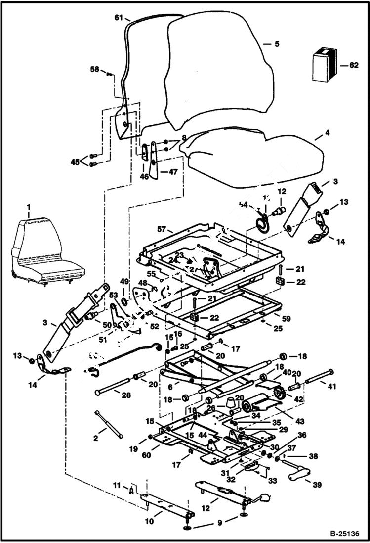
1
6675595
SEAT vinyl - LH recliner lever
1
6675596
SEAT fabric - LH recliner lever
2
6676338
GAS SPRING
3
6675170
SEAT BELT lap
4
6675320
SEAT fabric
4
6675322
SEAT vinyl
5
6675319
SEAT backrest - fabric - W/Ref. 58
5
6675321
SEAT backrest - vinyl - W/Ref. 58
6
6675317
SCISSORS
7
6675323
KNOB recliner
8
NUT NSS
9
619021
WASHER, 5
10
SLIDE NSS - slave
11
BOLT NSS
12
SLIDE NSS - locking
13
NUT NSS
14
BELT NSS - tether
15
WASHER NSS - cross pivot
16
BOLT NSS - pivot
17
RING NSS - retaining
18
ROLLER NSS
19
NUT NSS
20
BUSHING NSS - wt adjustment
21
RIVET NSS
22
BLOCK NSS - up stop
23
WASHER NSS
24
STOP NSS - armrest
25
PUSHNUT NSS
26
BUMPER NSS
27
NUT NSS
28
SHAFT NSS - bearing
29
RIVET NSS - female snap
30
INDICATOR NSS - weight
31
RIVET NSS - male snap
32
DIAL NSS - weight indicator
33
POP RIVET NSS
34
SPACER NSS
35
NUT NSS
36
BEARING NSS - thrust
37
RACE NSS - thrust
38
SHEAR PIN NSS
39
HANDLE NSS - weight adjustment
40
PLATE NSS - wear
41
SHAFT NSS - torsion
42
DRIVE GEAR NSS
43
BUSHING NSS - torsion
44
RACK NSS - wt adjustment
45
BOLT NSS
46
SPACER NSS - recliner
47
BRACKET NSS - back tilt
48
NUT NSS
49
WASHER NSS - plastic
50
BOSS NSS - back pan pivot
51
HANDLE NSS - recliner (RH)
52
LATCH NSS - recliner
53
SPRING NSS - extension
54
SPRING NSS - tilt latch
55
CLIP NSS
56
WIRE NSS - boot support
57
SUSPENSION NSS - boot
58
SCREW NSS
59
HOUSING NSS - upper
60
HOUSING NSS - lower
61
BACK PAN NSS
62
6675309
KIT slides - Ref. 8-12
62
6675310
KIT tether belt - Ref. 9, 13 & 14
62
6675311
KIT suspension rollers & bearing - Ref. 15-20
62
6675312
KIT suspension bumpers & stops - Ref. 21-27
62
6675313
KIT rear tube - Ref. 17, 20 & 28
62
6675314
KIT weight adjustment indicator - Ref. 29-33
62
6675315
KIT weight adjustment handle - Ref. 34-39
62
6675316
KIT weight adjustment - Ref. 17, 20 & 40-44
62
6675318
KIT RH recliner - Ref. 7, 8 & 45-54
62
6676034
KIT LH recliner - Ref. 7, 8 & 45-54
62
6675308
KIT suspension boot - Ref. 55-57