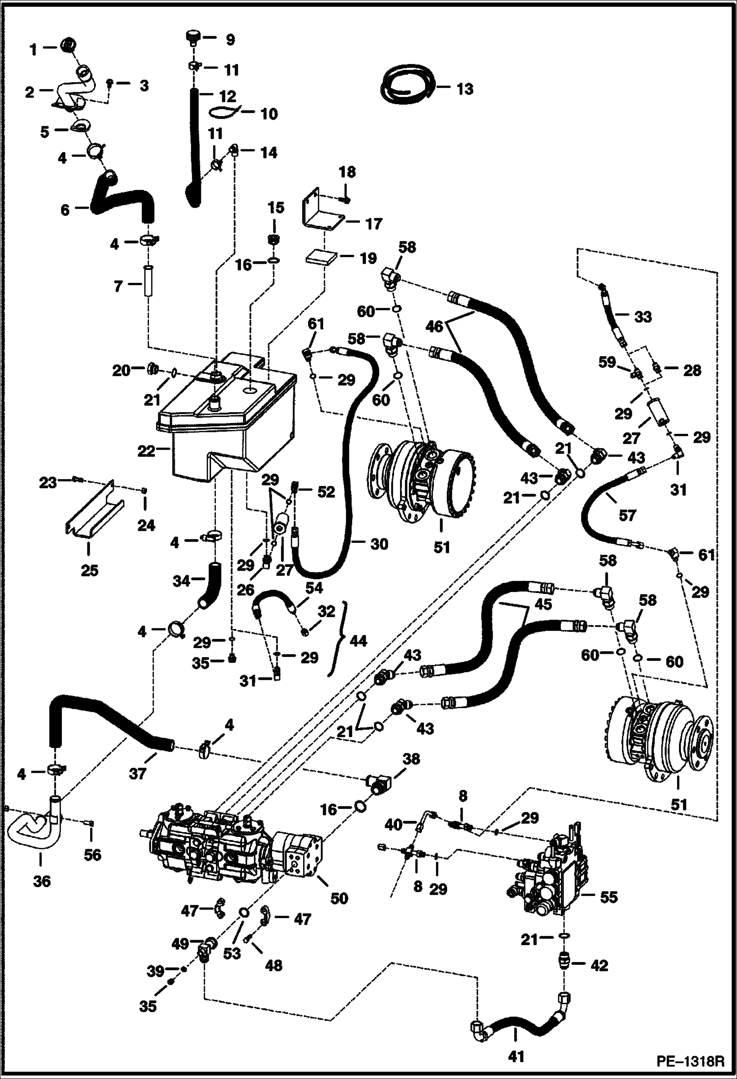
Запчасти Bobcat T-Series HYDROSTATIC CIRCUITRY (S/N 5277 12999 & Bel, 5278 12999 & Bel) HYDROSTATIC SYSTEM

Схема запчастей Bobcat T-Series - HYDROSTATIC CIRCUITRY (S/N 5277 12999 & Bel, 5278 12999 & Bel) HYDROSTATIC SYSTEM
FIT
1:1
100%

Артикул

Название

Примечание

Количество

1

6717827

CAP

2

6717830

TUBE

3

84G3710

SCREW

4

5HM42

HOSECLAMP

5

6718772

GASKET

6

6718020

HOSE

7

6732215

FILTER Was 6729982 - A

8

6817552

CROSS See Illustration HYDRAULIC CONTROL VALVE/ B22028 W/Ref. 29 - Was 6805241 - B

9

7025626

VENT, BREATHER - Was 6684923 - A

10

6610510

TIE

11

5HM24

CLAMP

12

HOSE NLA - 21.5''(546,1 mm) long - Order Ref. 13

13

6578172

HOSE bulk - sold per foot

14

6727637

ELBOW barbed

15

47K10

PLUG W/Ref. 16

16

79K16

O RING 10

17

6726254

BRACKET

18

84G3716

SCREW 5

19

6726255

PAD bumper

20

6665915

GAUGE W/Ref. 21

20

6734563

WASHER KIT

20

6734561

WASHER

20

25K30118

O RING 10

21

79K12

O RING 10

22

6728673

TANK

23

17C616

BOLT 5

24

61D6

NUT 5

25

6726162

BRACKET

26

6715190

ELBOW W/Ref. 29

27

6661022

FILTER, OIL HYD IN-LINE

28

15KB0606

FITTING, HYD CONNECTOR W/Ref. 29

29

79K6

O RING 10

30

7191135

HOSE, HYD Was 6726271 - B

31

17KB0606

FITTING W/Ref. 29

32

36K5

CAP

33

7106208

HOSE Was 6735839 - B

34

6717905

HOSE

35

24K5

PLUG W/Ref. 29

36

6726159

TUBE

37

6729052

HOSE

38

6715191

ELBOW W/Ref. 16

39

95K6

O'RING

40

6577690

TUBE See Illustration HYDRAULIC CONTROL VALVE/ B22028

41

6726251

HOSE 30''(762 mm) long

41

6727656

HOSE See Illustration POWER BOB-TACH KIT/ PE2273 34.5''(876,3 MM) LONG - W/POWER BOB-TACH OPTION

42

15KB1212

FITTING, HYD CONNECTOR W/Ref. 21

43

6737453

ELBOW W/Ref. 21

43

97K12

O'RING flared end

44

KIT NLA - Order Ref. 31, 32 & 54 individualy - Was 6730192 - A

45

6676408

HOSE, HYD 24.25'' (615,95 mm) long

46

6676407

HOSE 22.25'' (565,15 mm) long

47

19J12

CLAMP

48

17C620

BOLT

49

6734048

TEE split flange

50

PUMP See Illustration HYDROSTATIC PUMP/ B17103

51

MOTOR See Illustration HYDROSTATIC MOTOR/ B20896A See Illustration HYDROSTATIC MOTOR/ B20896

52

17KB0606

FITTING W/Ref. 29

53

58K214

O RING 10

54

6530859

HOSE

55

VALVE See Illustration HYDRAULIC CONTROL VALVE/ B22028

56

17C614

BOLT

57

7191136

HOSE, HYD Was 6726276 - B

58

7101797

ELBOW W/Ref. 60 - Was 6726160 - A

59

21KB0606

FTG HYD STRAIGHT TEE W/Ref. 29

60

75K12

O'RING 10

61

18KB0606

FITTING, HYD ELBOW W/Ref. 29

Выбрано товаров: 66