Запчасти Bobcat T-Series DECALS ACCESSORIES & OPTIONS

Схема запчастей Bobcat T-Series - DECALS ACCESSORIES & OPTIONS
FIT
1:1
100%

Артикул

Название

Примечание

Количество

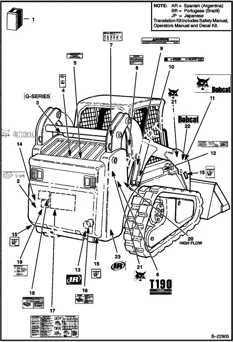
1

6901380

KIT decal

1

6731911AR

KIT decal - SEE NOTE

1

6731911BR

KIT decal - SEE NOTE

1

6731911JP

KIT decal - SEE NOTE

1

7105831AR

KIT, TRANSLATION translation - SEE NOTE - Was 6731912AR - A

1

7105831BR

KIT, TRANSLATION translation - SEE NOTE - Was 6731912BR - A

2

DECAL NLA - Logo - not in kit - Was 6727311 - A

3

6717907

DECAL ''G'' Series - Not in Kit

4

6565990

DECAL, OIL HYD 5 hydrostatic fluid fill

5

6708929

DECAL, COOLANT propylene glycol

6

6729473

DECAL model

7

DECAL NLA - patent - Was 6557224 - C

8

6560573

DECAL spark arrestor

9

6577754

DECAL, WARNING 5 gas spring

10

6578368

DECAL, OPERATION push to release stop

11

6730909

DECAL R.H. - Not in Kit

11

6730910

DECAL L.H. - Not in Kit

12

6719018

DECAL boom stop

13

DECAL NLA - IR - White - Was 6732423 - A

14

6735901

DECAL, LOGO BOBCAT HEAD white

15

6727595

DECAL Was 6595014 - B

16

6565200

DECAL, FILTER

17

6734534

DECAL, SERVICE service/warning/service parts

18

6709030

DECAL belt tension - spring loaded idler

19

6717679

DECAL check oil

20

6727913

DECAL hi-flow - Not in Kit

21

6731507

DECAL RH - Bobcat head - black

22

6731336

DECAL Bobcat - black

23

DECAL NLA - IR Logo - Black - Was 6735864 - A

Выбрано товаров: 0