Качественные детали и логистика
Оригинальные и аналоговые запчасти с доставкой по России, Казахстану и Беларуси
©2022 PartSell ООО "Система" ИНН 2463123282 ОГРН 1212400004838
Центральный офис: г. Красноярск, Академика Киренского, д.87, пом.4
Телефон: 8 (800) 777-65-74 Email: zakaz@partsell.ru
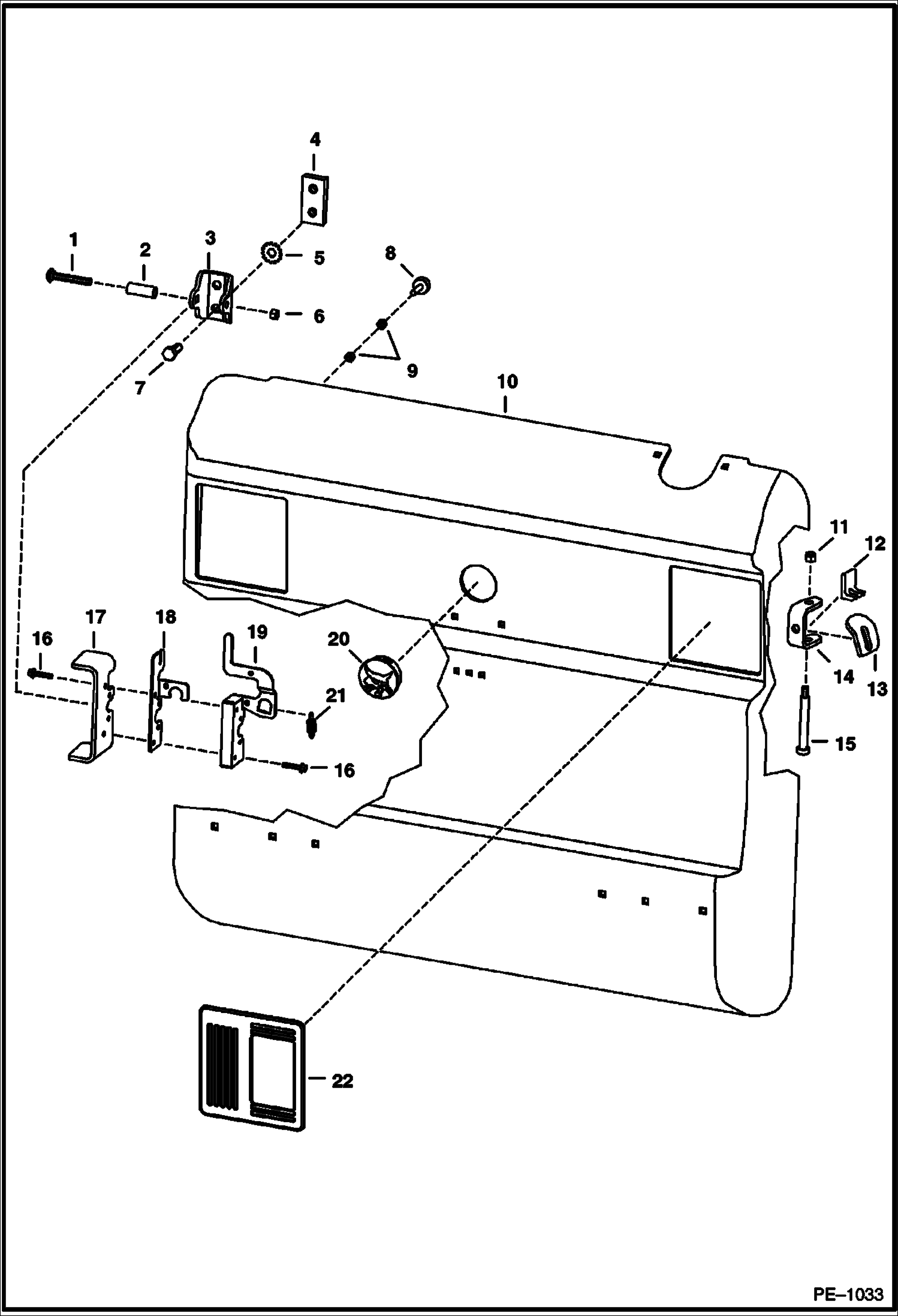
REAR DOOR (S/N 5193 11949 & Bel, 5194 11175 & Bel)
№
Артикул
Название
Примечание
Количество
1
37C644
BOLT Carriage
2
6719550
TUBE Striker
3
6719524
STRIKER
4
6719525
BAR Threaded Striker
5
6675273
WASHER Lock
6
61D6
NUT 5
7
17C820
BOLT
8
6655399
BUMPER
9
61D5
NUT
10
REAR DOOR See BTI257 NLA - Was 6711524 - A
11
59D6
12
6719766
STOP
13
6714126
DOOR STOP
14
6733575
HINGE, REAR DOOR Weld On - Was 6711526 - A
15
6809845
BOLT Was 38C856 - B
16
31C420
BOLT 5
17
6711527
LATCH PLATE Weld On
18
6711664
GUIDE, LATCH Latch
19
6670867
LATCH, REAR DOOR
20
6718796
PLUG
21
6714210
SPRING
22
6670287
COVER
Выбрано товаров: 0