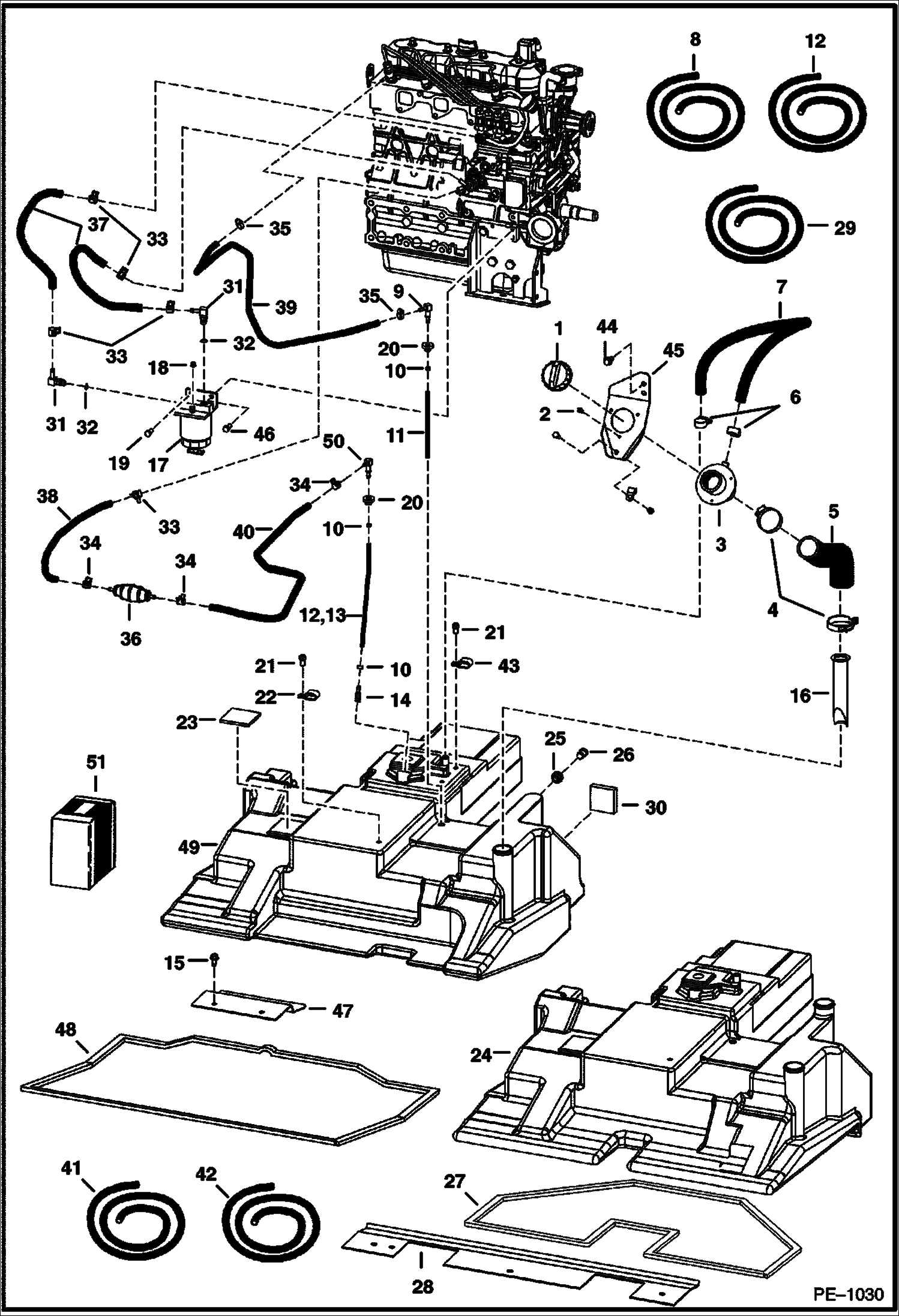
Запчасти Bobcat T-Series FUEL SYSTEM MAIN FRAME

Схема запчастей Bobcat T-Series - FUEL SYSTEM MAIN FRAME
FIT
1:1
100%

Артикул

Название

Примечание

Количество

1

6661114

CAP. DIESEL Green - Was 6665423 - A

1

6661696

CAP, FUEL LOCKING Locking - W/Key - Code PK510

1

6587458

KEY Code PK510

2

6706517

SCREW

3

6701449

FILLER TUBE

4

42H32

HS CLAMP5 Worm Gear

4

5HM58

CLAMP Constant Tension

5

6717704

HOSE

6

42H10

HOSECLAM5 Worm Gear

6

5HM24

CLAMP Constant Tension

7

HOSE NLA - 42''(1066,8 mm) Long-Order Ref. 8

8

6578172

HOSE bulk - sold per foot

9

6598908

ELBOW Was 6681462 - A

10

6661213

RING, COMPRESSION

11

6730767

HOSE 7 in. (177,8 mm) Long

12

6729854

TUBE 12.5'' (317,5 mm) long

13

6726213

HOSE 10 in. (254,0 mm) Long

14

6650239

SCREEN, FUEL PICKUP

15

84G3712

BOLT 5

16

7120881

SCREEN, FILLER Was 6569219 - A

17

6667353

FILTER ASSY W/Ref. 18

17

6667352

FILTER, FUEL W/SEPARATOR 12

17

72F1

FITTING

18

6658180

PLUG, BLEED

19

17C512

BOLT 5

19

17C516

BOLT See Illustration ENGINE & ATTACHING PARTS/ B22660 See Illustration ENGINE & ATTACHING PARTS/ B17104 Use When Ref. 35 Has Threaded Thru Holes

19

84G3112

BOLT 5

20

6553411

BUSHING 0.38'' ID

21

17C610

BOLT

22

31H27

CLIP

23

6578278

PAD Self Adhesive One Side

24

TANK NLA - Order 6683303 - Was 6726204 - A

24

6726204

TANK

25

6717402

BUSHING 0.54'' ID

26

7203382

PLUG, STEEL fuel drain - .75'' shoulder - Was 6717401 - A

27

6726218

GASKET .375 in. x .75 in. x 106.75 in. Long

27

6726218

GASKET

28

6717504

BRACKET

28

6717504

BRACKET

29

6578169

HOSE bulk - sold per foot - 0.19'' ID

30

6704436

PAD

31

6715183

ELBOW W/Ref. 32 - Check Boss Face To Determine Correct Replacement O-ring

32

99K5

O-RING Tapered Boss Face

32

79K5

O RING 10 Flat Boss Face

33

5HM14

CLAMP

34

5HM13

CLAMP

35

42HS04

CLAMP, HOSE

36

6657734

PUMP, PRIMER HAND 124 mm (4.88'') long

37

HOSE NLA - 13 in. (330,2 mm) Long - Order Ref. 41

38

HOSE NLA - 23'' (584,2 mm) long - Order Ref. 42 - Was 18'' (457,2 mm) long

39

HOSE NLA - 35 in. (889,0 mm) Long - Order Ref. 42

40

HOSE NLA - 53 in. (1346,2 mm) Long - Order Ref. 29

41

6577822

HOSE bulk - sold per foot

42

6577821

HOSE bulk - sold per foot

43

30H36

CLIP

44

84G3716

SCREW 5

45

6731059

INLET

46

84G3116

SCREW

47

6737368

BRACKET

48

GASKET NLA - Was 6737760 - A

49

6683303

TANK

50

6598908

ELBOW

Выбрано товаров: 62