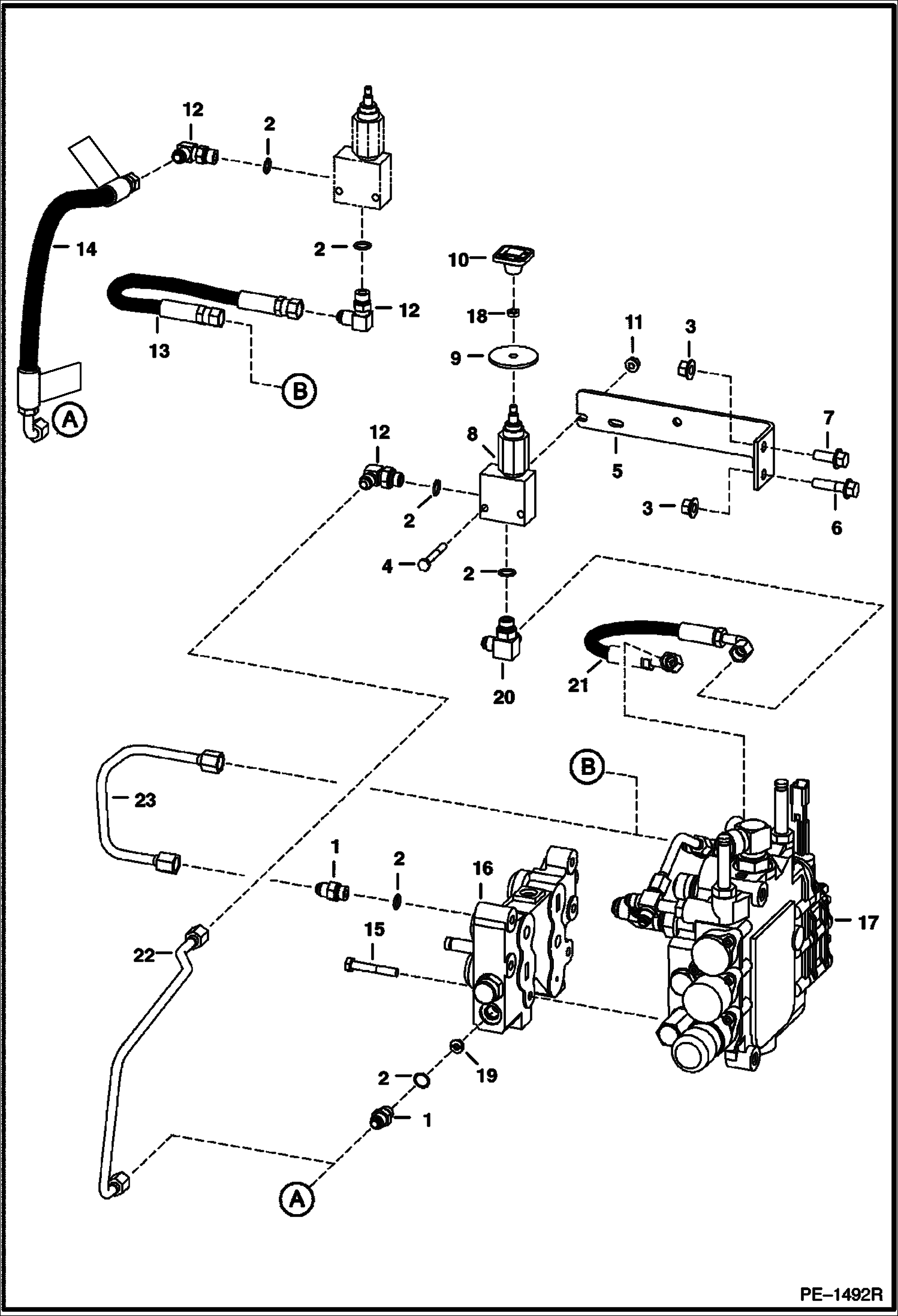
Запчасти Bobcat T-Series MANUAL LIFT RELEASE SYSTEM HYDRAULIC SYSTEM

Схема запчастей Bobcat T-Series - MANUAL LIFT RELEASE SYSTEM HYDRAULIC SYSTEM
FIT
1:1
100%

Артикул

Название

Примечание

Количество

1

ADAPTER NLA - W/Ref. 2 - tapered boss face - Was 15KV00005B - A

1

97K6

O RING flared end

1

15KB0606

FITTING, HYD CONNECTOR W/Ref. 2 - flat boss face

2

99K6

O RING tapered boss face

2

79K6

O RING 10 flat boss face

3

83D6

NUT 5

4

17C428

BOLT

5

6717151

MOUNT

6

17C624

BOLT 5

7

17C612

BOLT 5

8

7230495

VALVE, LIFT MANUAL See Illustration MANUAL LIFT RELEASE VALVE/ PE1547 - manual lift release - Was 6667844 - A

9

6707101

SEAL neoprene

10

6737524

KNOB red square - Was 6668913 - A

11

83D4

NUT 10

12

ELBOW NLA - W/Ref. 2 - tapered boss face - Was 17KV00005B - A

12

97K6

O RING flared end

12

17KB0606

FITTING W/Ref. 2 - flat boss face

12

17KB0606

FITTING W/Ref. 2 - flat boss face

13

6727702

TUBE

13

6535451

HOSE Use W/Rear Aux. & Power Bob-Tach combination & standard hydraulic flow

14

6727703

HOSE available only as an assembly W/two danger decals installed

14

6809511

DECAL, DANGER

15

43C532

BOLT

16

6628571

VALVE ASSY See Illustration BICS CONTROL VALVE/ TS1365

17

VALVE See Illustration HYDRAULIC CONTROL VALVE/ B17144 NSS - CONTROL - ORDER COMPLETE VALVE

18

7D4

NUT

19

6668791

ORIFICE

20

6725182

TEE W/Ref. 2 - flat boss face

21

6736213

HOSE

22

6729909

TUBE

23

6735837

TUBE

Выбрано товаров: 0