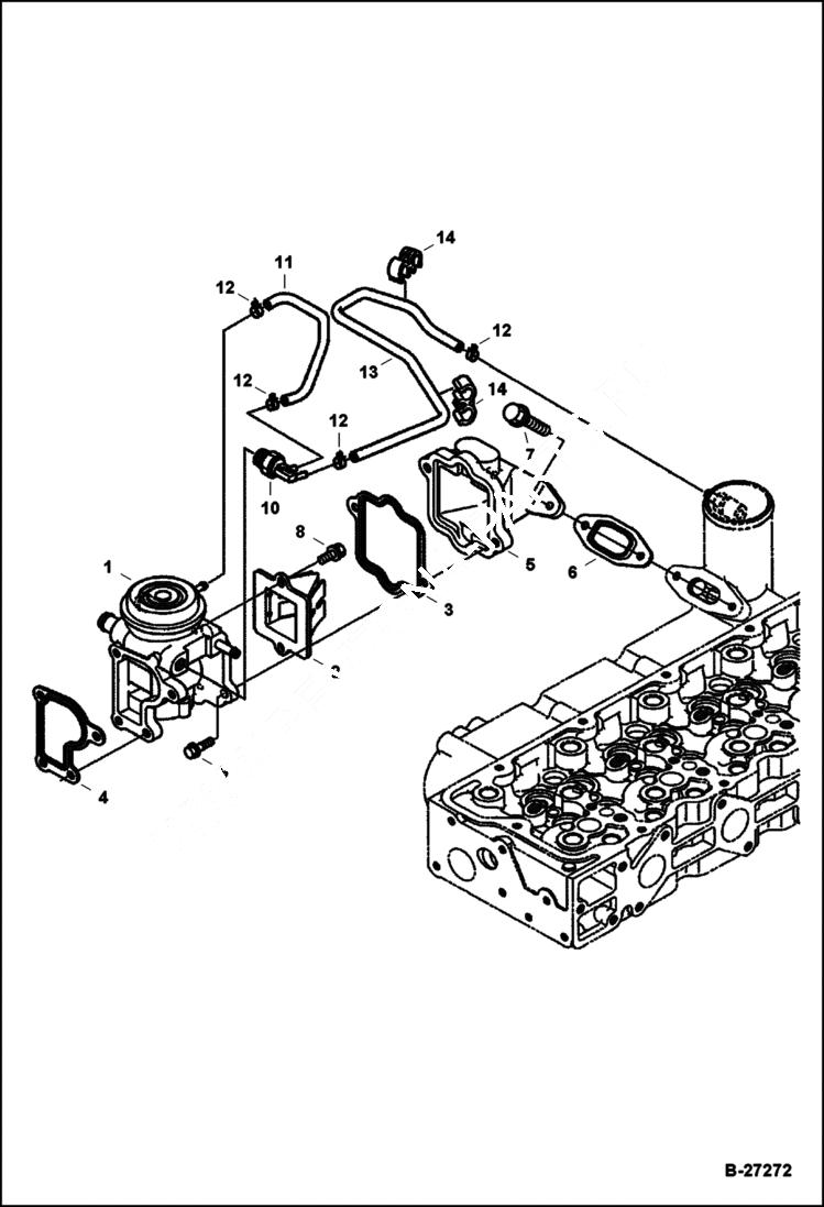
Запчасти Bobcat T-Series EGR VALVE POWER UNIT

Схема запчастей Bobcat T-Series - EGR VALVE POWER UNIT
FIT
1:1
100%

Артикул

Название

Примечание

Количество

1

7000770

VALVE, EGR

2

6698580

VALVE, LEAD

3

7000634

GASKET, EGR VALVE

4

7000633

GASKET, EGR VALVE

5

7000631

FLANGE, EGR

6

7000632

GASKET EGR INLET

7

7001139

BOLT,FLANGE

8

6680803

BOLT Was 7001137 - B

9

6680755

BOLT

10

6698585

VALVE, THERMOSTATIC

11

7000641

HOSE, VACUUM

12

6657556

BAND

13

7000747

HOSE, VACUUM

14

7000611

CLIP, HOSE

14

7012013

CLAMP, HOSE

Выбрано товаров: 15