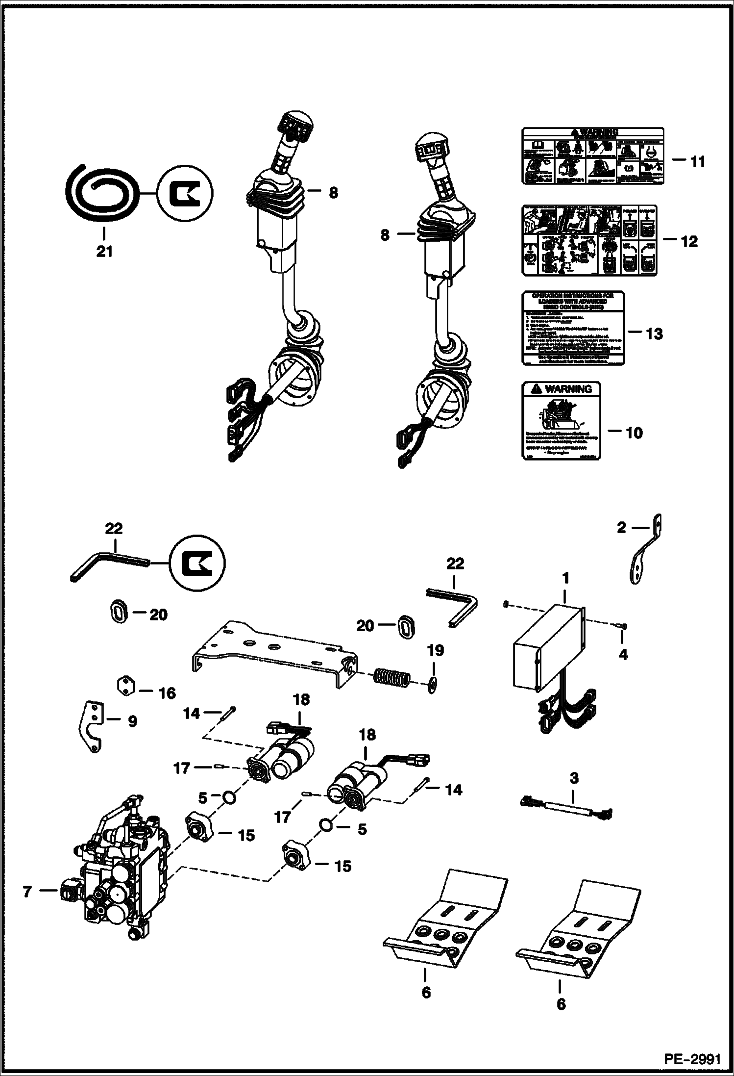
Запчасти Bobcat T-Series ELECTRICAL CONTROLS (Advanced Hand Control Option - W/O Push Button Float) ELECTRICAL SYSTEM

Схема запчастей Bobcat T-Series - ELECTRICAL CONTROLS (Advanced Hand Control Option - W/O Push Button Float) ELECTRICAL SYSTEM
FIT
1:1
100%

Артикул

Название

Примечание

Количество

1

6674804

CONTROLLER, AHC METAL metal

2

6717393

LEVER throttle

3

6728742

HARNESS jumper - enhance boom lift

4

17C412

BOLT 5

5

58K120

O-RING Use W/Ref. 18 (NLA/ 6678775 actuator & 7104842 actuator)

5

6686220

O-RING Use W/Ref. 18 (NLA/ 7103129 actuator)

6

6712365

STEP

7

VALVE AHC

8

LEVER ASSY NLA - R.H. - tilt - Order 6727298 AHC kit - Was 6718201 - A

8

LEVER ASSY NLA - L.H. - lift - Order 6727298 AHC kit - Was 6718202 - A

9

6725246

PLATE

10

6718397

DECAL, WARNING no riders

11

6728540

DECAL, WARNING

12

6718395

DECAL operation

13

6718704

DECAL operation

14

69G436

BOLT

15

6725128

ADAPTER actuator - W/ O-ring groove - Use W/Ref. 18 (NLA/ 6678775 actuator)

15

7101705

ADAPTER, ACTUATOR W/O O-ring groove - Use W/Ref. 18 (NLA/ 7103129 actuator & 7104842 actuator)

16

6725257

PLATE spacer

17

7108236

PIN Was 6718506 - A

18

ACTUATOR NLA - Use W/Ref. 15 (6725128 adapter) & Ref. 5 (58K120 O-ring) - Order 7104842 actuator & Ref. 15 (7101705 adapter) - Was 6678775 - A

18

ACTUATOR NLA - W/Ref. 5 (6686220 O-ring) - Use W/Ref. 15 (7101705 adapter) - Was 7103129 - A

18

7104842

ACTUATOR W/Ref. 5 (58K120 O-ring) - Use W/Ref. 15 (7101705 adapter)

19

25E24

WASHER

20

6714726

GROMMET

21

6654139

MOULDING bulk - sold per foot

22

MOULDING NLA - 10.5'' (266mm) long - Order Ref. 21

Выбрано товаров: 27