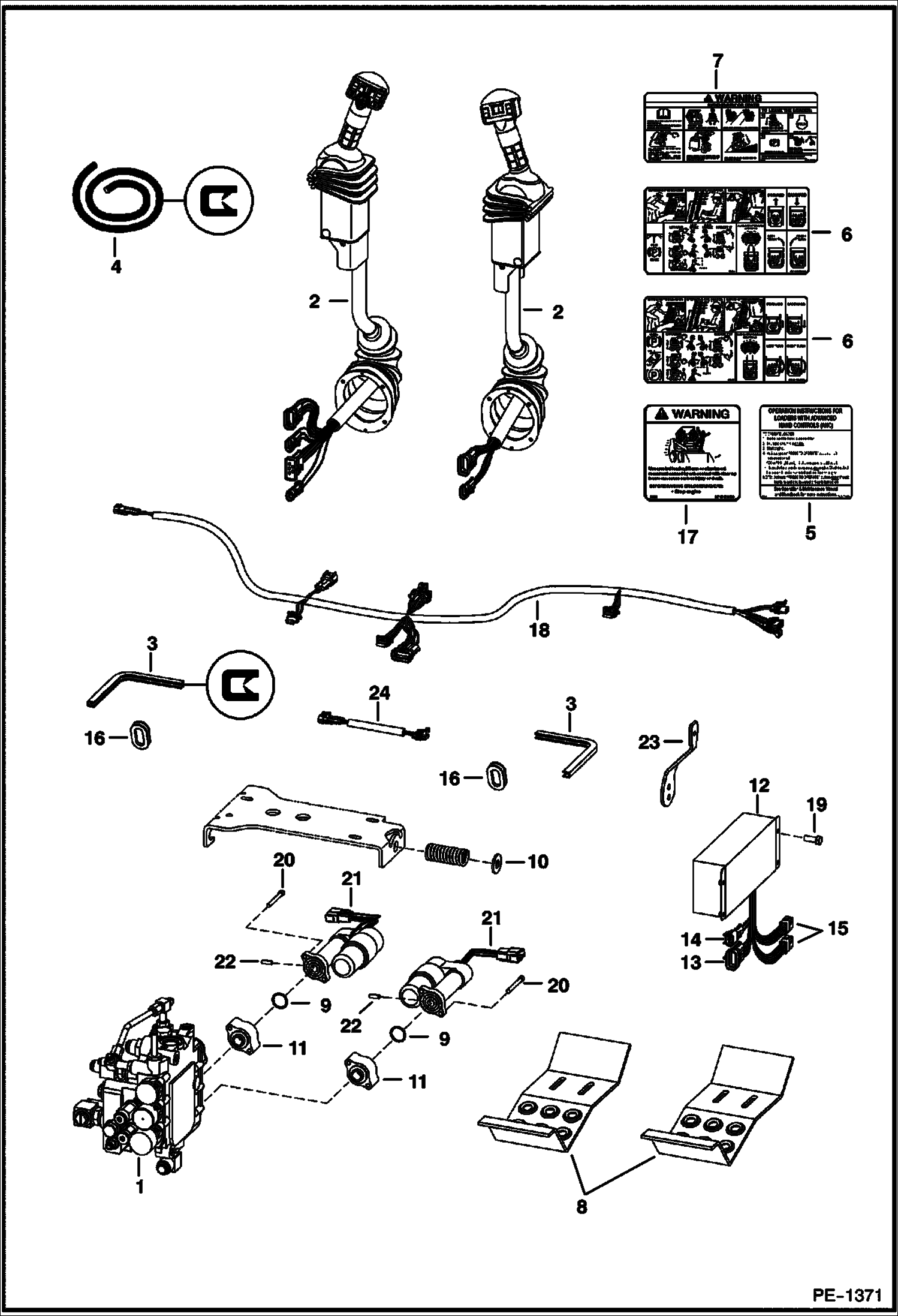
Запчасти Bobcat T-Series ELECTRICAL CONTROLS (Advanced Hand Control Option - W/ Push Button Float) ELECTRICAL SYSTEM

Схема запчастей Bobcat T-Series - ELECTRICAL CONTROLS (Advanced Hand Control Option - W/ Push Button Float) ELECTRICAL SYSTEM
FIT
1:1
100%

Артикул

Название

Примечание

Количество

1

VALVE

2

6684913

LEVER tilt - RH - Was 6680426 - A

2

6684914

LEVER lift - LH - Was 6680425 - A

3

MOULDING NLA - 10.5''(267mm) long - Order Ref. 4

4

6654139

MOULDING bulk - sold per foot

5

6718704

DECAL

6

6727155

DECAL

6

6728328

DECAL

7

6728539

DECAL

8

6712365

STEP

9

58K120

O-RING Use W/Ref. 21 (NLA/ 6678875 actuator, 7104842 actuator & 7101672 actuator)

9

6686220

O-RING Use W/Ref. 21 (NLA/ 7103129 actuator)

10

25E24

WASHER Was 25E-22 - B

11

6725128

ADAPTER actuator - W/ O-ring groove - Use W/Ref. 21 (NLA/ 6678775 actuator)

11

7101705

ADAPTER, ACTUATOR W/O O-ring groove - Use W/Ref. 21 (NLA/ 7103129 actuator, 7104842 actuator & 7101672 actuator)

12

6676153

CONTROLLER metal

12

6680410

CONTROLLER plastic - W/ 3-connector plug - Was 6676337 - A

13

6640692

CONNECTOR 10-pin

13

6640690

PIN

13

6640694

LOCK Use W/ 10-pin connector

13

6641176

SEAL

13

6646582

PLUG cavity

14

6648307

CONNECTOR 2-pin

15

6670709

CONNECTOR 8-pin

16

6714726

GROMMET

17

6718397

DECAL, WARNING no riders

18

6729054

HARNESS W/ capacitor - Use W/Ref. 12

19

17C412

BOLT 5

20

69G436

BOLT

21

ACTUATOR NLA - Use W/Ref. 9 (58K120 O-ring) & Ref. 11 (6725128 adapter) - Order 7104842 if metal controller or 7101672 if plastic controller, also Order Ref. 11 (7101705 adapter) - Was 6678775 - A

21

ACTUATOR NLA - W/Ref. 9 (6686220 O-ring) - Use W/Ref. 11 (7101705 adapter) - Use W/ metal controller - Was 7103129 - A

21

7104842

ACTUATOR W/Ref. 9 (58K120 O-ring) - Use W/Ref. 11 (7101705 adapter) - Use W/ metal controller

21

7101672

ACTUATOR W/Ref. 9 (58K120 O-ring) - Use W/Ref. 11 (7101705 adapter) - Use W/ plastic controller

22

7108236

PIN Was 6718506 - A

23

6717393

LEVER throttle

24

6728742

HARNESS jumper - to enhance boom lift

Выбрано товаров: 36