Запчасти Bobcat T-Series ELECTRICAL CONTROLS (AHC) (Handle Assembly) W/O Push Button Float ELECTRICAL SYSTEM

Схема запчастей Bobcat T-Series - ELECTRICAL CONTROLS (AHC) (Handle Assembly) W/O Push Button Float ELECTRICAL SYSTEM
FIT
1:1
100%

Артикул

Название

Примечание

Количество

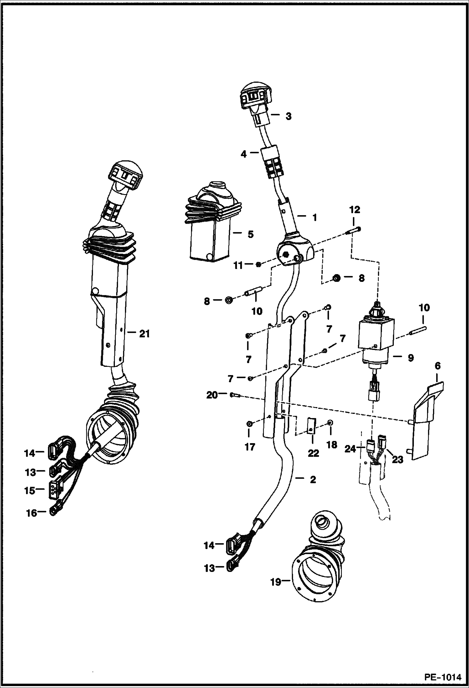
1

HANDLE RH - tilt - Order Ref. 48-50 - Was 6597774 - A

1

HANDLE LH - lift - Order Ref. 48-50 - Was 6717163 - A

2

6597775

LEVER RH - tilt

2

6597776

LEVER LH - tilt

3

HANDLE ASSEMBLY See BTI335 -RH - tilt - also Order Ref. 31 & 32 - Was 6675469 - A

3

6640690

PIN

3

6670715

PIN

3

6641176

SEAL

3

6680455

HANDLE ASSY LH - lift - also Order Ref. 31-34

3

6640690

PIN

3

6670715

PIN

3

6641176

SEAL

3

6680447

DECAL

4

6713349

GRIP

5

6680471

COVER

6

6715957

COVER

7

25GT410

SCREW

8

6702990

BUSHING

9

CONTROL NLA - RH - tilt - Order 6727298 AHC Kit - Was 6712398 - A

9

CONTROL NLA - LH - lift - Order 6727298 AHC kit - Was 6712397 - A

10

6713043

SPACER

11

12D10

NUT Use W/Ref. 12

12

6716826

BOLT button head - 24UNC

13

6640699

CONNECTOR

13

6640700

LOCK

14

6640692

CONNECTOR 10-pin

14

6640694

LOCK Use W/ 10-pin connector

15

6667144

CONNECTOR 5-pin

15

6667145

LOCK Use W/ 5-pin connector

16

6641179

CONNECTOR 2-pin

16

6641180

LOCK Use W/ 2-pin connector

17

6665322

RIVET female

18

6665321

RIVET male

19

6532127

BOOT

20

6669224

BOLT

21

LEVER ASSY NLA - RH - tilt - Order 6727298 AHC kit - Was 6718201 - A

21

LEVER ASSY NLA - LH - lift - Order 6727298 AHC kit - Was 6718202 - A

22

6665000

CLIP

23

6676870

CONNECTOR 3-pin

23

6670711

LOCK

23

6670715

PIN

23

6676640

SEAL plug

24

6677364

CONNECTOR 3-pin - RH & LH

24

6676640

SEAL plug

Выбрано товаров: 44