Запчасти Bobcat T-Series COOLING SYSTEM POWER UNIT

Схема запчастей Bobcat T-Series - COOLING SYSTEM POWER UNIT
FIT
1:1
100%

Артикул

Название

Примечание

Количество

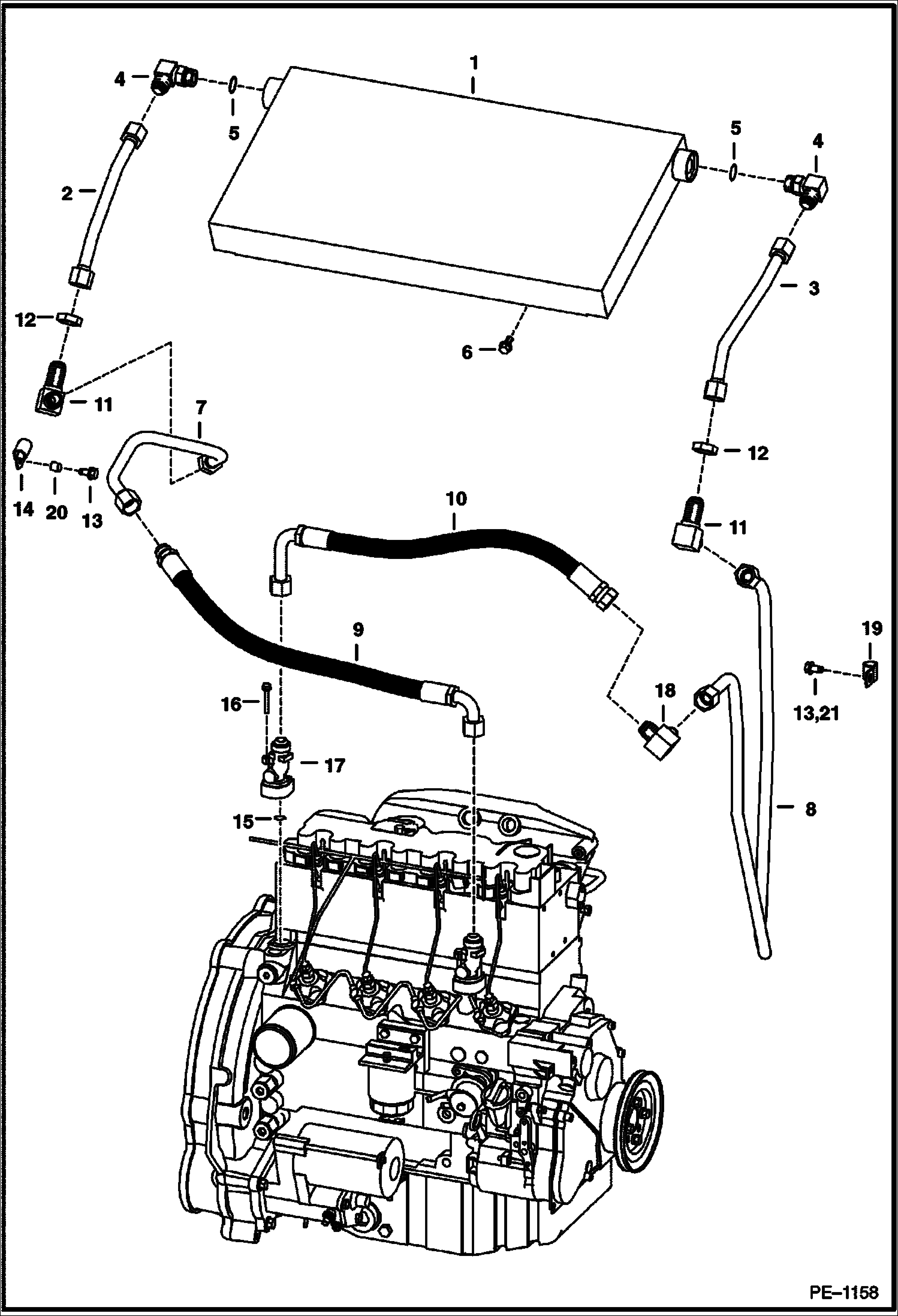
1

6710791

COOLER oil

2

6719206

TUBE

3

6719207

TUBE

4

ELBOW NLA - W/Ref. 5 - tapered boss face - Was 17KV-8 - A

4

97K12

O'RING flared end

4

17KB1212

FITTING, HYD ELBOW W/Ref. 5 - flat boss face

5

99K12

O RING tapered boss face

5

79K12

O RING 10 Flat boss face

6

35C612

BOLT

7

6709914

TUBELINE

8

6719394

TUBELINE

8

6729985

TUBELINE

9

6712143

HOSE

10

6712144

HOSE, HYD ASSY

11

ELBOW NLA - Was 88FN-8 - A

11

97K12

O'RING flared end

11

88F8

FITTING

12

86F8

NUT 5

13

84G3712

BOLT 5 .375 x .75

14

30H44

CLAMP Was 30H000042B - B

15

6666712

O-RING

16

6666696

BOLT

17

6666762

ADAPTER

18

77F8

ELBOW Was 77FN00008B - A

18

97K12

O'RING flared end

18

77F8

ELBOW

19

30H65

CLIP P clip

20

6529464

BUSHING .351 (8,91 mm) ID - Was 6725969 - B,D

21

84G3716

SCREW 5 .375 x 1''

Выбрано товаров: 29