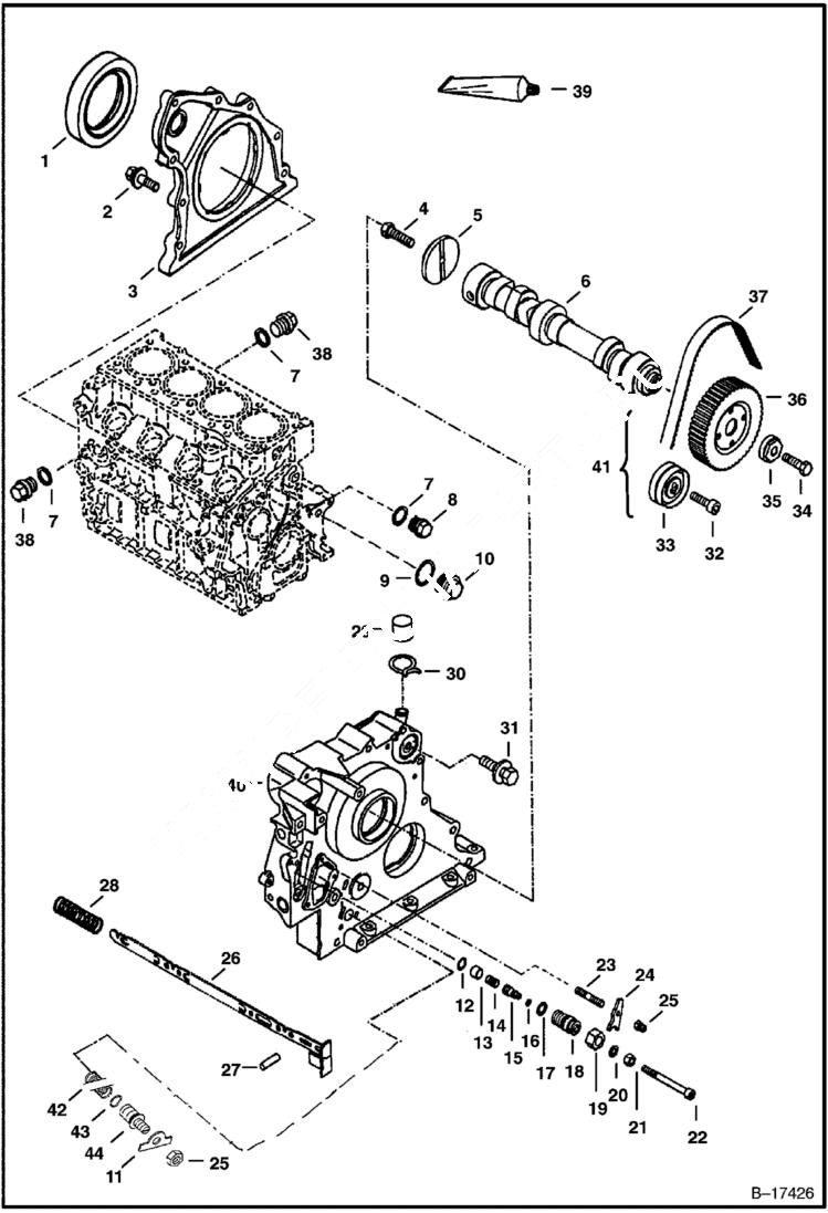
Запчасти Bobcat T-Series CAMSHAFT POWER UNIT

Схема запчастей Bobcat T-Series - CAMSHAFT POWER UNIT
FIT
1:1
100%

Артикул

Название

Примечание

Количество

1

6666490

SEAL lip - rear main

2

6666412

BOLT

3

6688307

COVER REAR rear - Use W/Ref. 39 - Was 6666491 - A

4

6666402

BOLT

5

6666469

WASHER thrust

6

6673154

CAMSHAFT

7

6666393

SEAL RING

8

1KM10

PLUG

9

6666394

SEAL RING

10

6666399

PLUG Was 6513908 - A

11

6673166

WASHER

12

6666389

CIR CLIP

13

6666476

STOP limit

14

6666483

SPRING

15

6688255

SETTING SCREW Was 6666489 - A

16

6666410

O-RING

17

6666408

O-RING

18

6666480

SCREW adjusting

19

6666450

NUT

20

6666426

SEAL RING

21

6666390

NUT Was 6673162 - A

22

6672942

SET SCREW

23

6666406

STUD

24

6666475

CLAW

25

16DM6

NUT Was 6513908 - A

26

6673163

ROD

27

6666496

PIN locating

28

6666465

SPRING

29

6666761

CAP

30

6666701

CLAMP

31

6666707

BOLT

32

6666715

BOLT

33

PULLEY NLA - tension - Order Ref. 41

34

6666711

BOLT

35

6666720

WASHER

36

6666725

PULLEY

37

BELT NLA - timing - Order Ref. 41

38

6666690

PLUG

39

6632823

GASKET Liquid - Between Ref. 3 & block also between Ref. 40 & block

40

6666748

COVER, FRONT See Illustration FRONT COVER/ B17429 - front

41

6670555

REPAIR KIT Ref. 32, 33 & 37

42

6673167

SPRING

43

6673165

O-RING

44

6673164

CAPSULE

Выбрано товаров: 44