Запчасти Bobcat T-Series HEATER & A/C (Insulation) ACCESSORIES & OPTIONS

Схема запчастей Bobcat T-Series - HEATER & A/C (Insulation) ACCESSORIES & OPTIONS
FIT
1:1
100%

Артикул

Название

Примечание

Количество

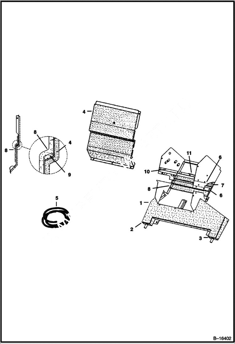
1

6688401

INSULATION Was 6675607 - A

2

6675608

INSULATION

3

6675609

INSULATION

4

6688400

INSULATION Was 6675610 - A

5

6675611

SEAL bulk - Sold Per Foot

6

6675612

INSULATION

7

6675613

INSULATION

8

6675614

INSULATION

9

SEAL NLA - 15'' (381 mm) long - Order Ref. 5

10

SEAL NLA - 5.5'' (140 mm) long - Order Ref. 5

11

SEAL NLA - 4'' (102 mm) long - Order Ref. 5

Выбрано товаров: 11