Запчасти Bobcat T-Series HEATER & A/C (A/C Kit) ACCESSORIES & OPTIONS

Схема запчастей Bobcat T-Series - HEATER & A/C (A/C Kit) ACCESSORIES & OPTIONS
FIT
1:1
100%

Артикул

Название

Примечание

Количество

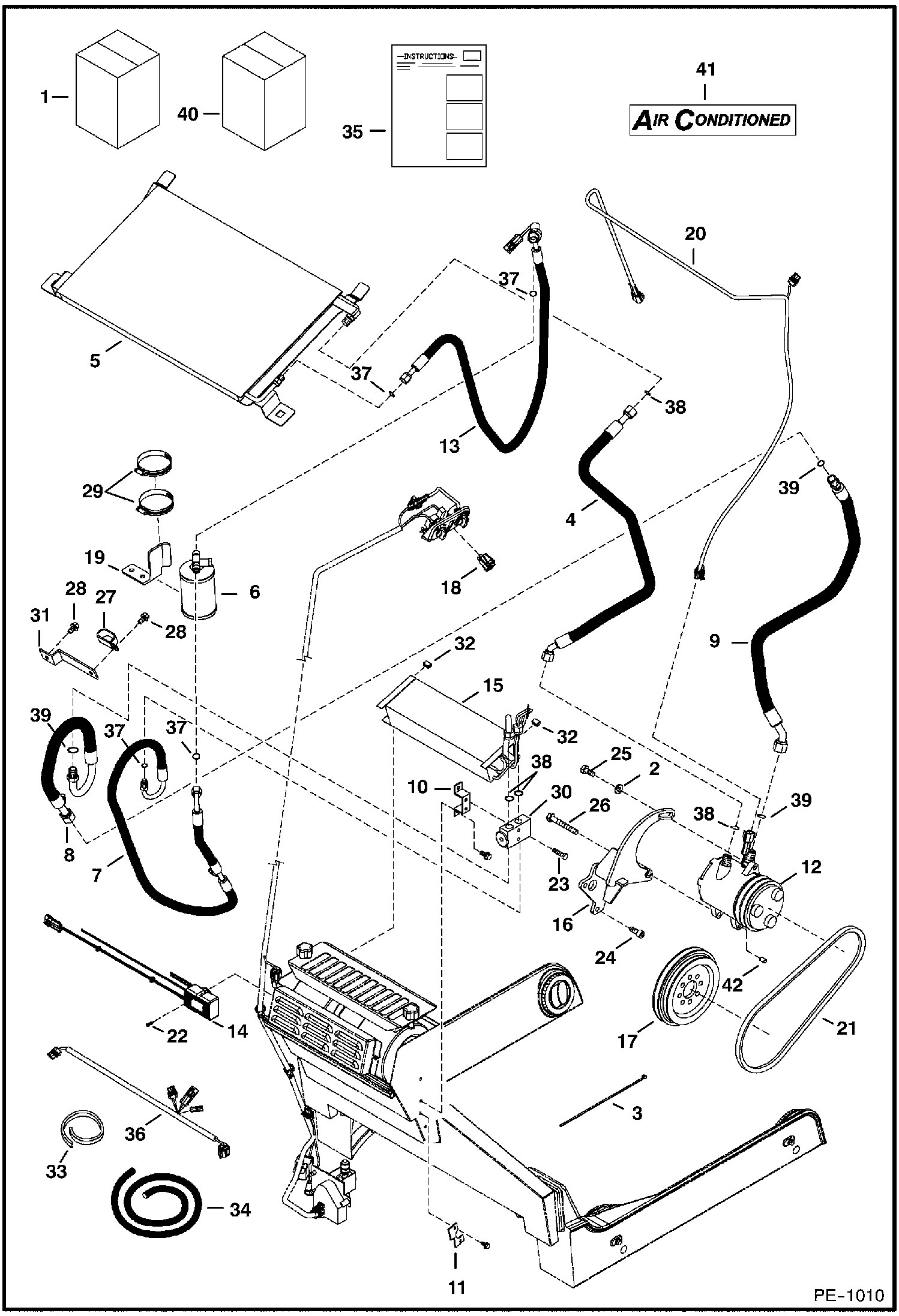
1

6726490

KIT Ref. 2 - 35

2

6557831

WASHER

3

6624289

STRAP, TIE

4

6674232

HOSE ac - W/Ref. 38

5

6674234

CONDENSER

6

6674235

RECEIVER DRIER reciever

6

6676062

VALVE relief

7

6698442

HOSE W/Ref. 37 - Was 6675075 - A

7

6677122

CAP

8

6675076

HOSE ac - W/Ref. 39

8

6677121

CAP

9

6675270

HOSE ac - W/Ref. 39

10

6676984

MOUNT valve - Was 6675536 - A

11

6677105

COVER plate - Was 6675537 - A

12

COMPRESSOR NLA - Order 6733655 compressor - Was 6675667 - A

12

6733655

COMPRESSOR, A/C W/Ref. 42

12

6679145

CLUTCH Was 6675828 - A

13

6675685

HOSE AC - W/Ref. 37

13

6675779

SWITCH, PRESS W/harness

13

6676399

VALVE CORE

14

6683004

THERMOSTAT Was 6675790 - A

15

6683003

COIL evaporator - Was 6675533 - A

16

6717375

MOUNT compressor

17

6718310

PULLEY engine

18

7169112

SWITCH, ROCKER A/C Was 6719176 - A

19

6719459

MOUNT reciever drier

20

6719630

HARNESS ac

21

6725943

BELT compressor

22

6726621

SCREW

23

1CM635

BOLT

24

3GM1025

BOLT

25

5CM1025

BOLT

26

5CM1080

SCREW

27

31H46

CLAMP Was 31H000042B - B

28

84G3710

SCREW

29

44H48

CLAMP Was 6515576 - A

30

6675534

BLOCK, VALVE A/C

31

6727326

MOUNT clamp

32

6676539

CLIP

33

INSULATION NLA - tape - 6'' (152mm) long - Order Ref. 34

34

6676538

INSULATION bulk - sold per foot

35

6901039

INSTRUCTIONS

36

6726357

HARNESS HVAC jumper - connects the HVAC harness (6725275 or 6717877 ) to the ac harness (6719630 ) and the new thermostat (6675790 )

37

7009976

O-RING #6 - Was 6675824 - A

38

7009977

O-RING #8 - Was 6675538 - A

39

7009978

O-RING #10 - Was 6675825 - A

40

6676063

KIT fitting caps

41

6729077

DECAL air conditioned

42

6732732

BUSHING Use W/Ref. 12 (6733655 compressor)

Выбрано товаров: 49