Запчасти Bobcat T-Series HEATER & A/C (HVAC Assembly) (S/N & Below) ACCESSORIES & OPTIONS

Схема запчастей Bobcat T-Series - HEATER & A/C (HVAC Assembly) (S/N & Below) ACCESSORIES & OPTIONS
FIT
1:1
100%

Артикул

Название

Примечание

Количество

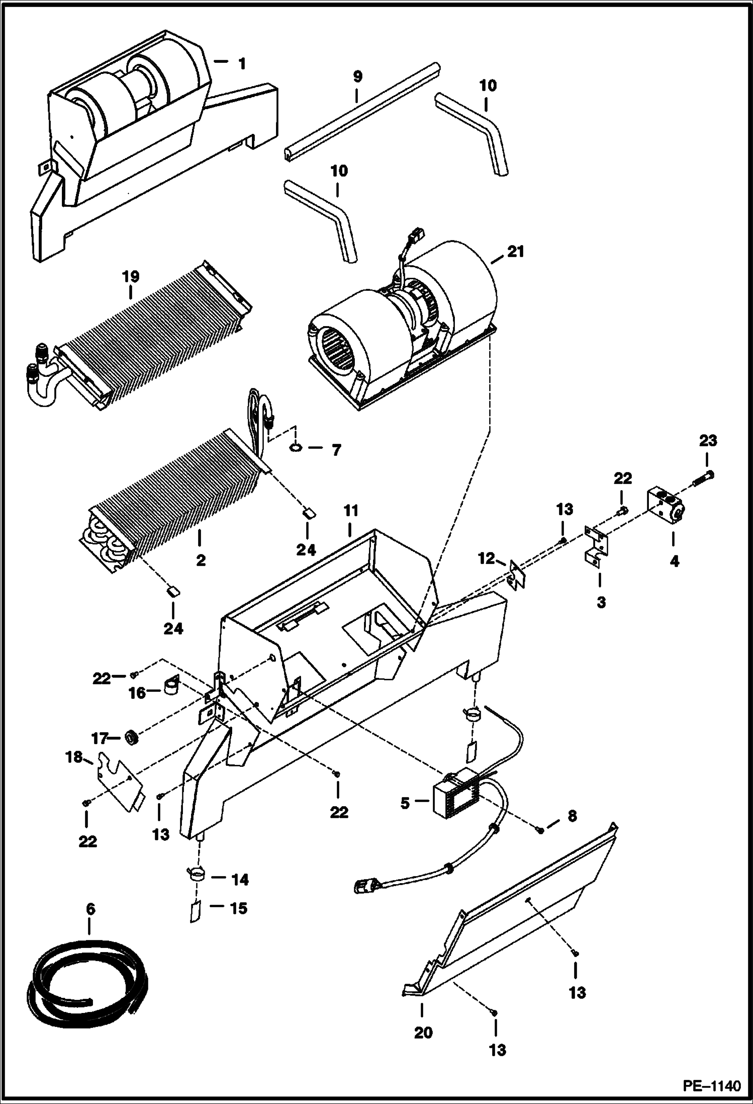
1

HEATER/AC See Illustration HEATER & A/C/ PE1658 - NLA - Ref. 2-23 - Order 6683001 - Was 6674226 - A

2

6683003

COIL evaporator - Was 6675533 - A

3

6676984

MOUNT valve support - Was 6675536 - A

4

6675534

BLOCK, VALVE A/C

5

6683004

THERMOSTAT Was 6675790 - A

6

6675514

SEAL - PER FOOT See Illustration HEATER & A/C/ PE1151 - Bulk - sold per foot

7

7009977

O-RING #8 - Was 6675538 - A

8

6726621

SCREW for mounting thermostat

9

SEAL NLA - 14.75'' (375 mm) long - Order Ref. 6

10

SEAL NLA - 8.5'' (215 mm) long - Order Ref. 6

11

6675499

HOUSING SEE NOTE

12

6677105

COVER cover - Was 6675537 - A

13

6677580

SCREW

14

6675510

CLAMP

15

6675511

DRAIN VALVE

16

6675512

CLAMP

17

6675513

GROMMET

18

6675501

PLATE cover

19

COIL See Illustration HEATER & A/C/ PE1228 - Was 6675498 - A

20

6675500

COVER SEE NOTE

21

6675497

BLOWER, HEATER AND A/C See Illustration HEATER & A/C/ B16401

22

6691532

SCREW Was 6677118 - A

23

1CM635

BOLT

24

6676539

CLIP

Выбрано товаров: 24