Запчасти Bobcat T-Series HEATER & A/C (HVAC Assembly) (S/N & Above) ACCESSORIES & OPTIONS

Схема запчастей Bobcat T-Series - HEATER & A/C (HVAC Assembly) (S/N & Above) ACCESSORIES & OPTIONS
FIT
1:1
100%

Артикул

Название

Примечание

Количество

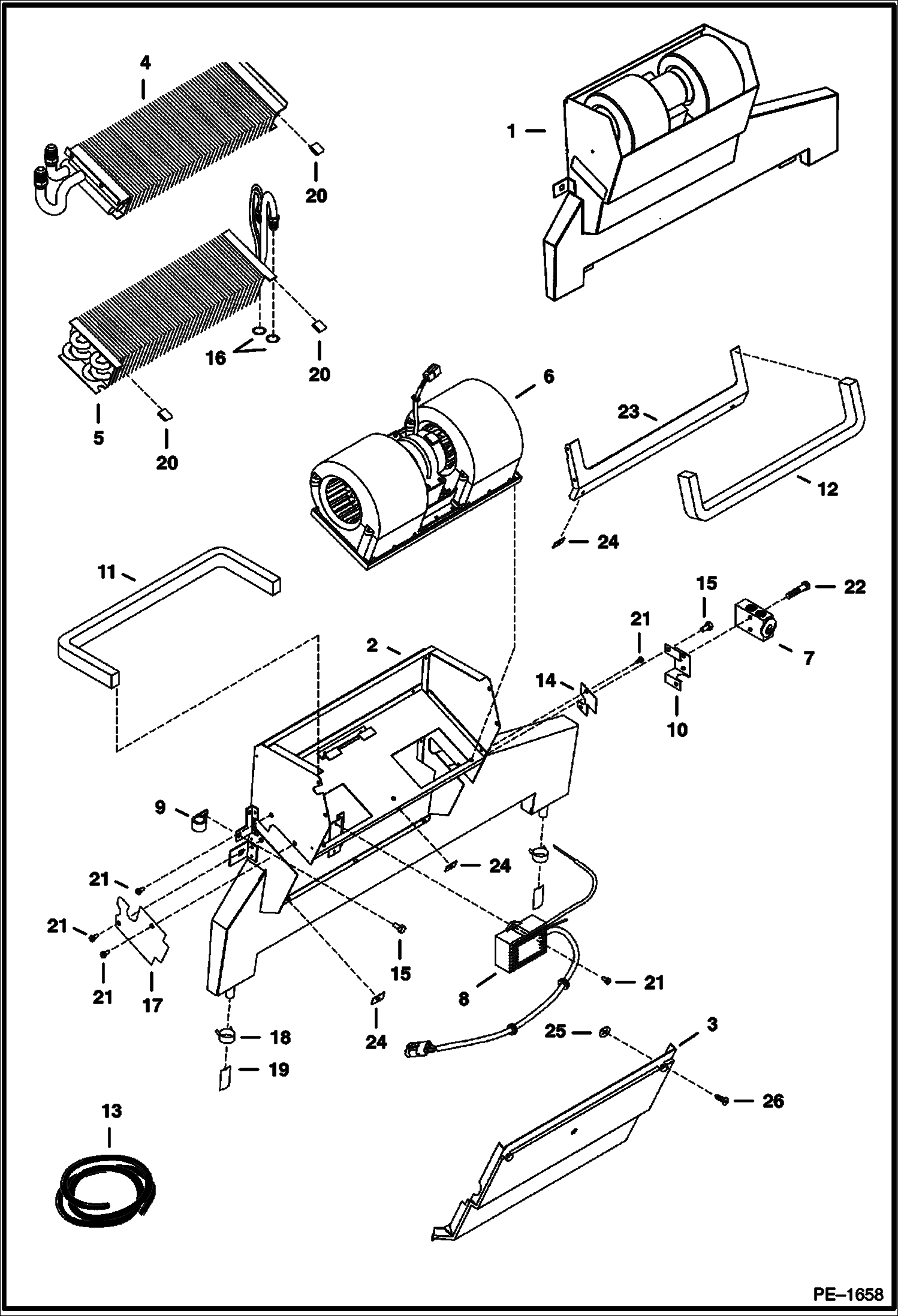
1

6683001

HVAC assy - Ref. 2-26 - Was 6676561 - A

2

6677108

HOUSING

3

COVER NLA - Order 6678151 & Ref. 23 (6678152 seal) - Was 6677109 - A

3

6678151

COVER

4

COIL See Illustration HEATER & A/C/ PE1228 - NLA - Heater - Was 6676603 - A

5

6683003

COIL evaporator - Was 6675533 - A

6

6675497

BLOWER, HEATER AND A/C See Illustration HEATER & A/C/ B16401 - assy

7

6675534

BLOCK, VALVE A/C

8

6683004

THERMOSTAT Was 6675790 - A

9

6675512

CLAMP hose

10

6676984

MOUNT valve

11

SEAL NLA - 25'' (635 mm) long - Order Ref. 13

12

SEAL NLA - 22.6'' (575 mm) long - Order Ref. 13

13

6677111

SEAL bulk - sold per foot

14

6677105

COVER

15

6691532

SCREW Was 6677118 - A

16

7009977

O-RING #8 - Was 6675538 - A

17

6677504

COVER cover - Was 6676604 - A

18

6675510

CLAMP drain hose

19

6675511

DRAIN VALVE

20

6676539

CLIP

21

6726621

SCREW sheet metal

22

1CM635

BOLT

23

FLANGE NLA - Order 6678152 (6678151) - Was 6677114 - A

23

6678152

SEAL FLANGE

24

6677115

RECEPTACLE

25

6677116

RETAINER

26

6677117

SCREW captive

Выбрано товаров: 28