Качественные детали и логистика
Оригинальные и аналоговые запчасти с доставкой по России, Казахстану и Беларуси
©2022 PartSell ООО "Система" ИНН 2463123282 ОГРН 1212400004838
Центральный офис: г. Красноярск, Академика Киренского, д.87, пом.4
Телефон: 8 (800) 777-65-74 Email: zakaz@partsell.ru
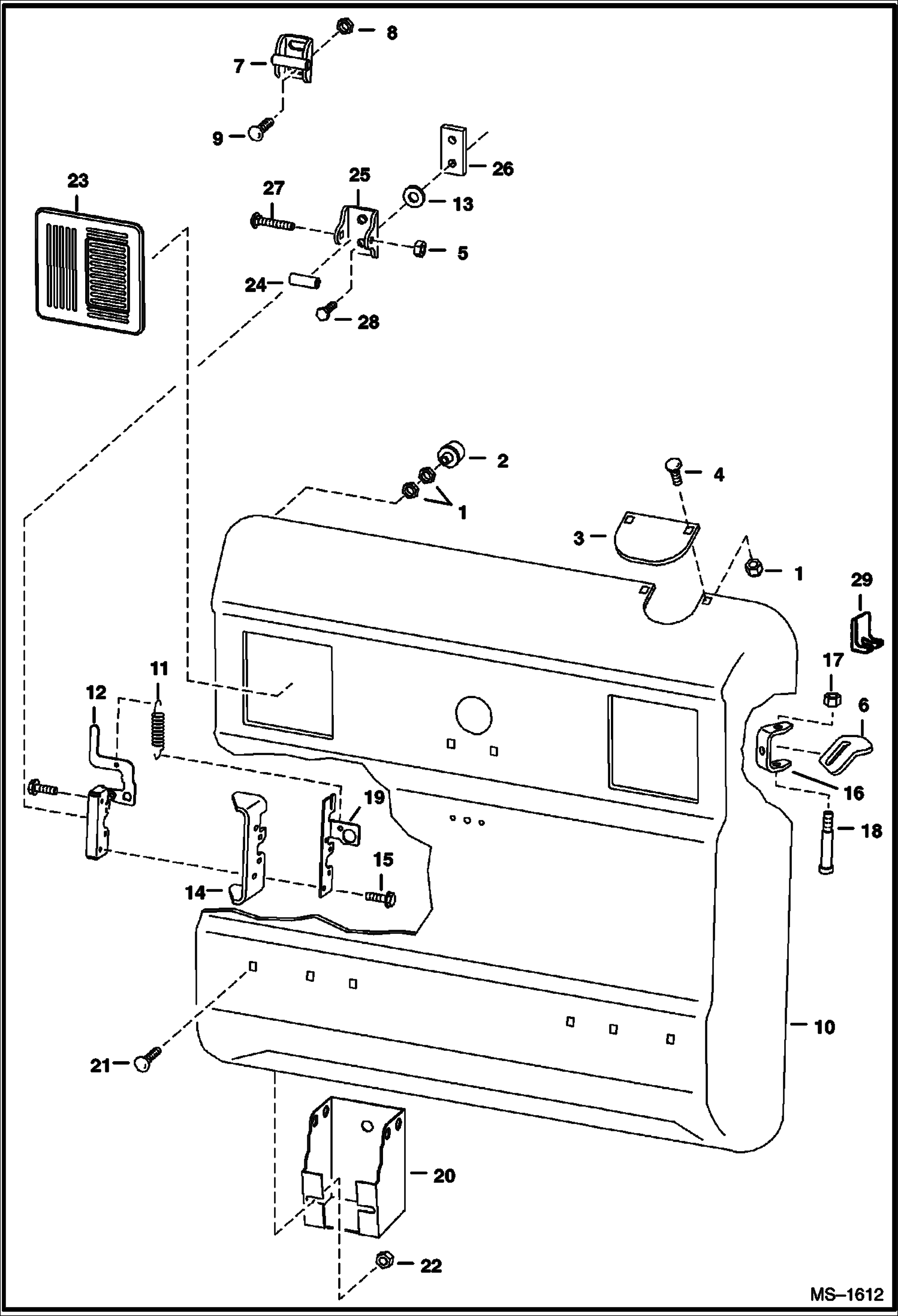
REAR DOOR (S/N 518915871, 516815093, 517515070 & Below)
№
Артикул
Название
Примечание
Количество
1
61D5
NUT
2
6655399
BUMPER Was 6714454 - B,D
3
6714509
COVER exhaust
4
37C512
BOLT
5
61D6
NUT 5
6
6714126
DOOR STOP
7
6715157
STRIKER ASSY.
8
83D8
9
37C820
BOLT carriage
10
REAR DOOR See BTI357 - NLA - Order 6729991 - Was 6711524 - A
11
6714210
SPRING
12
6670867
LATCH, REAR DOOR
13
6675273
WASHER lock
14
6711527
LATCH PLATE weld-on
15
31C420
BOLT 5
16
6733575
HINGE, REAR DOOR weld-on - Was 6711526 - A
17
59D6
18
6809845
BOLT Was 38C856 - B
19
6711664
GUIDE, LATCH latch
20
6715318
TOOL HOLDER standard for Europe
21
37C612
22
55D6
23
6670287
COVER
24
6719550
TUBE striker
25
6719524
STRIKER
26
6719525
BAR threaded striker
27
37C644
28
17C820
29
6719766
STOP
Выбрано товаров: 0