Запчасти Bobcat T-Series DRIVE TRAIN DRIVE TRAIN

Схема запчастей Bobcat T-Series - DRIVE TRAIN DRIVE TRAIN
FIT
1:1
100%

Артикул

Название

Примечание

Количество

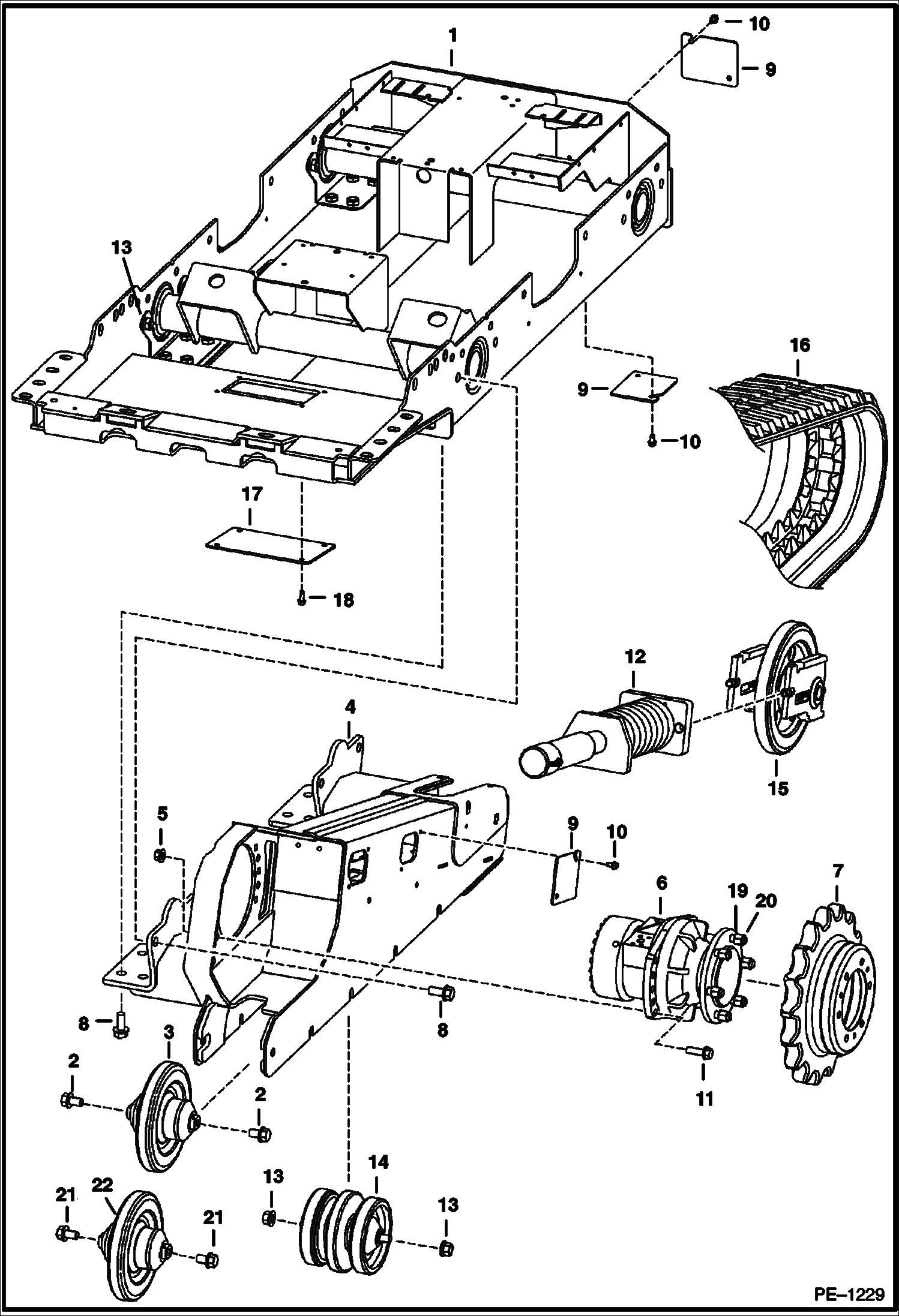
1

6719359

DRIVECASE

2

31C1224

BOLT Was 31C001220B - B

3

IDLER ASSY See Illustration REAR IDLER/ PE1222 - Rear - 1.37'' (34,8 mm) deep tapped hole

4

6715972

FRAME track - RH - Was 6716007 - B,D

4

6716007

FRAME track - LH - Was 6715972 - B,D

5

83D10

NUT 5

6

MOTOR See Illustration HYDROSTATIC MOTOR & BRAKE/ B18116

7

6715821

SPROCKET, MOTOR DRIVE TRACK

7

7165109

SPROCKET, MOTOR DRIVE TRACK for 7109868 motor - Was 7107787 - A

8

31C1228

BOLT

9

7240780

COVER, ACCESS Was 6716010 - A

10

84G3712

BOLT 5

11

31C1032

BOLT

12

TENSIONER, TRACK ASSY See Illustration TRACK TENSIONER/ PE1223

13

83D12

NUT

14

ROLLER ASSY See Illustration TRACK ROLLER/ PE1224

15

IDLER ASSY See Illustration FRONT IDLER/ PE1221 - front

16

TRACK, RUBBER See Illustration TRACKS/ NA6161

17

6716987

COVER

18

84G3716

SCREW 5

19

6674706

STUD

20

6691215

NUT Was 6674724 - A

21

31C1220

BOLT

22

IDLER ASSY Rear - 1.12 in. (28,4 mm) deep tapped hole - Order Ref. 2 (2) & 3

Выбрано товаров: 24