Качественные детали и логистика
Оригинальные и аналоговые запчасти с доставкой по России, Казахстану и Беларуси
©2022 PartSell ООО "Система" ИНН 2463123282 ОГРН 1212400004838
Центральный офис: г. Красноярск, Академика Киренского, д.87, пом.4
Телефон: 8 (800) 777-65-74 Email: zakaz@partsell.ru
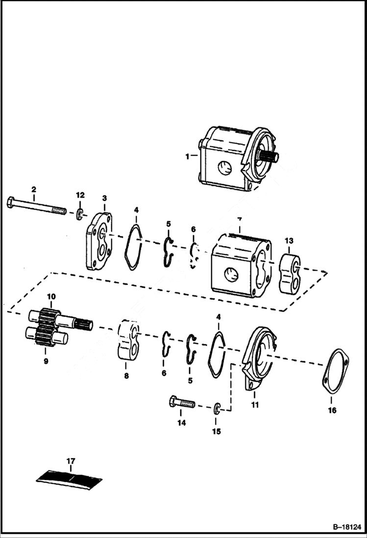
GEAR PUMP (S/N 5189 16260, 5168 15100 & Below)
№
Артикул
Название
Примечание
Количество
1
6673911
PUMP B5501-37255 - W/Ref. 2-13 - 4-bolt flange - for model 4445060
2
BOLT NSS
3
COVER NLA - Was 6658123 - D
4
O-RING NSS - seal
5
SEAL NSS
6
BUSHING NSS
7
BODY NSS
8
BEARING NSS
9
GEAR NSS - idler
10
GEAR NSS - drive
11
COVER NLA - Was 6658122 - A
12
WASHER NSS
13
14
6645088
BOLT
15
6518483
WASHER
16
6660339
GASKET
17
6674371
SEAL KIT Ref. 4-6
Выбрано товаров: 0