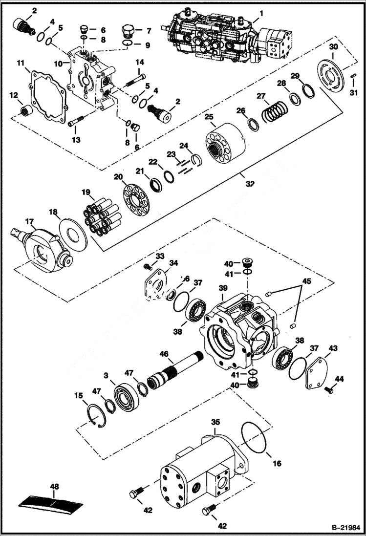
Запчасти Bobcat T-Series HYDROSTATIC PUMP (Right Half) HYDROSTATIC SYSTEM

Схема запчастей Bobcat T-Series - HYDROSTATIC PUMP (Right Half) HYDROSTATIC SYSTEM
FIT
1:1
100%

Артикул

Название

Примечание

Количество

1

PUMP NLA - Model 4445143 - complete W/gear pump - standard flow - Order 6686708 pump or 6686708REM pump - Also Order 7127545 bracket - must use 6576196 bracket & 6706096 bracket from original pump - W

1

PUMP NLA - Model 4445164 - complete W/gear pump - standard flow - Order 6686708 pump or 6686708REM pump - Also Order 7127545 bracket - Was 6685036 - A

1

6686708

PUMP, HYD TANDEM Model 4445188 - complete W/gear pump - standard flow - Also Order 7127545 bracket

1

6686708

PUMP, HYD TANDEM Model 4445188 - complete W/gear pump - standard flow

1

6686708REM

PUMP, HYD TANDEM, W/O GEAR PUMP

1

PUMP NLA - Model 4445158 - complete W/gear pump - high flow - Order 6687832 pump or 6687024REM pump - Also Order 6686713 gear pump & 7127545 bracket - must use 6576196 bracket & 6706096 bracket from o

1

PUMP NLA - Model 4445165 - complete W/gear pump - high flow - Order 6687832 pump or 6687024REM pump - Also Order 7127545 bracket - Was 6685037 - A

1

PUMP, HYD TANDEM NLA - Model 4445197 - complete W/gear pump E series - high flow - Order 6687832 pump or 6687024REM pump - Also Order 6683713 gear pump - Was 6687024 - A

1

6687024REM

PUMP, HYD TANDEM, W/O GEAR PUMP

1

PUMP NLA - Model 4445178 - complete W/gear pump - 40 GPM high flow - Order 6688679 pump & 7127545 bracket - Was 6685838 - A

1

6685838REM

PUMP, HYD TANDEM, W/O GEAR PUMP

1

PUMP, HYD TANDEM ASSY NLA - Model 4445221 - complete W/gear pump - 37 GPM high flow - Order 6687832 pump or 6688679REM pump - Also Order 6688673 gear pump & 7127545 bracket - Was 6688679 - A

1

PUMP, HYD TANDEM ASSY NLA - Model 4445221 - complete W/gear pump - 37 GPM high flow - Order 6687832 pump or 6688679REM pump - Also Order 6688673 gear pump - Was 6688679 - A

1

6687832

PUMP, HYD TANDEM W/O GEAR PUMP Model 4445208

1

6688679REM

PUMP, HYD TANDEM, W/O GEAR PUMP

2

6670685

RELIEF VALVE 5000 PSI (345 bar) - Was 6689601 - A

3

654299

BEARING

4

6657028

O-RING

5

79K8

O RING 10

6

6645086

PLUG W/Ref. 8

7

PLUG W/Ref. 9

8

6661481

O-RING

9

O-RING

10

6669405

CAP, END

11

6650634

GASKET

12

6650635

BEARING

13

6652018

BOLT

14

6650637

BOLT Was 6650674 - A

15

669863

RING, SNAP

16

6671520

O-RING

17

SWASH PLATE NLA - order 6685344 - Was 6671513 - A

17

6685344

SWASHPLATE W/threaded shaft hole - Was 6671513 - A

18

6650627

PLATE

19

PISTON ASSY. NSS - Order Ref. 32

20

RETAINER NSS - Order Ref. 32

21

RETAINER NSS - Order Ref. 32

22

WASHER NSS - Order Ref. 32

23

6650629

PIN

24

6650630

RETAINER

25

BLOCK NSS - Order Ref. 32

26

WASHER NSS - Order Ref. 32

27

SPRING NSS - Order Ref. 32

28

WASHER NSS - Order Ref. 32

29

RETAINER NSS - Order Ref. 32

30

6676148

PLATE, VALVE

31

6650636

PIN spring

32

6675341

GROUP, ROTARY Ref. 19-29

33

6671518

BOLT

34

6657067

COVER assy. - W/Ref. 36

35

GEAR PUMP See Illustration GEAR PUMP/ B21259 STANDARD FLOW

35

GEAR PUMP See Illustration HIGH FLOW HYDRAULICS/ B22288 HIGH FLOW

36

6678226

SEAL, OIL

37

6660814

O-RING

38

6669411

BEARING

39

6682262

HOUSING Was 6689602 - A

40

47K8

PLUG W/Ref. 41

41

6645083

O-RING

42

6682263

BOLT

43

6657068

COVER

44

6650668

BOLT

45

6675342

PIN

46

6682264

SHAFT

47

658128

RING, SNAP

48

6671516

KIT, SEAL

Выбрано товаров: 64