Качественные детали и логистика
Оригинальные и аналоговые запчасти с доставкой по России, Казахстану и Беларуси
©2022 PartSell ООО "Система" ИНН 2463123282 ОГРН 1212400004838
Центральный офис: г. Красноярск, Академика Киренского, д.87, пом.4
Телефон: 8 (800) 777-65-74 Email: zakaz@partsell.ru
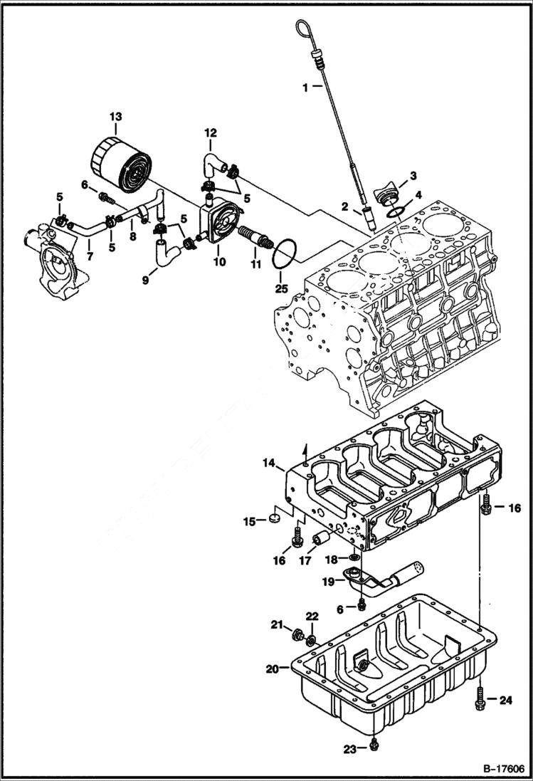
OIL PAN (S/N 5231, 5230) (V3300 DI T Kubota) (Tier I)
№
Артикул
Название
Примечание
Количество
1
7020951
DIPSTICK, OIL ENG Was 6690692 - A
2
6680702
TUBE dipstick
3
6680908
CAP
4
6684782
O-RING oil fill plug - Was 3966602 - A
5
6675618
CLAMP
6
6680662
BOLT
7
6680913
HOSE
8
6680912
TUBE
9
6680914
10
6680909
OIL COOLER
11
7012202
ADAPTER Was 6680910 - A
12
6680911
13
6678233
FILTER, OIL ENG 12
14
6680652
CRANKCASE
15
3974389
CAP, SEALING Was 6680638 - A
16
6680654
17
7017199
PIN, STRAIGHT gear case - Was 6680655 - A
18
6680661
O-RING
19
6680660
SCREEN, OIL
20
6680656
OIL PAN W/Ref. 21 & 22
21
6680657
PLUG oil
22
6631046
SEAL rubber
23
6680658
24
6680659
25
6686402
SEAL
Выбрано товаров: 0