Запчасти Bobcat T-Series MAIN FRAME MAIN FRAME

Схема запчастей Bobcat T-Series - MAIN FRAME MAIN FRAME
FIT
1:1
100%

Артикул

Название

Примечание

Количество

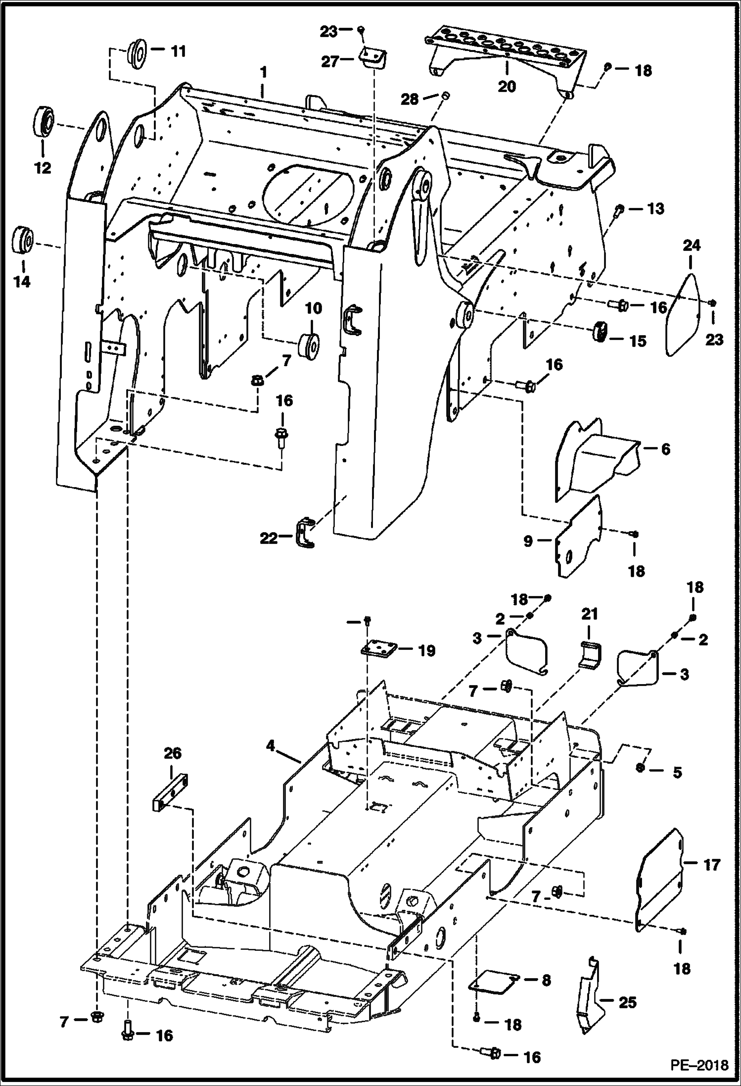
1

MAINFRAME-T250 NLA - Order 7101454 & 7166136 adapter for cooling fan - modify the crossmember for radiator- Was 6733718 - A

1

7101454

MAIN FRAME

1

7114934

STOP See BTI379 weld on - 1'' thick - Was 6733784 - A

2

6562619

BUSHING

3

6737088

COVER, ACCESS Was 6577812 - A

4

DRIVECASE See Illustration DRIVE TRAIN/ PE1727 FRAME ONLY

5

83D8

NUT 5

6

6736769

COVER RH

6

6736770

COVER LH

7

53D12

NUT Was 83D000012B - B

8

7240780

COVER, ACCESS Was 6716010 - A

9

COVER NLA - Order 7124841 and remove and discard Ref. 16 bolt that interferes with cover - Was 6736772 - A

9

7124841

COVER

10

6730785

BUSHING inside upright weld-on

11

6729401

BUSHING inside upright weld-on

12

6729402

BUSHING outside upright weld-on

13

31C824

BOLT 10

14

6730784

BUSHING outside upright weld-on

15

6718796

PLUG Bobcat head

16

31C1228

BOLT

17

6719201

COVER

18

84G3712

BOLT 5

19

6730378

COVER

20

6732577

STEP, MFR

21

6706485

HOOK tie down - weld-on

22

6708987

HINGE, WELD-ON

23

84G3708

SCREW

24

6733740

COVER

25

6737543

COVER RH - selectable joystick controls

25

6737417

COVER LH - selectable joystick controls

26

6706857

BLOCK threaded

27

6736121

HOSE COVER hose

28

6679966

PLUG

Выбрано товаров: 33